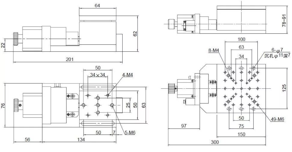
Модули вертикального перемещения