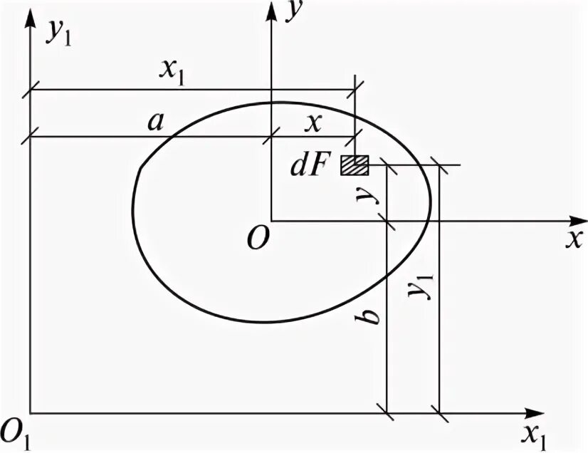
Момент инерции параллельных осей