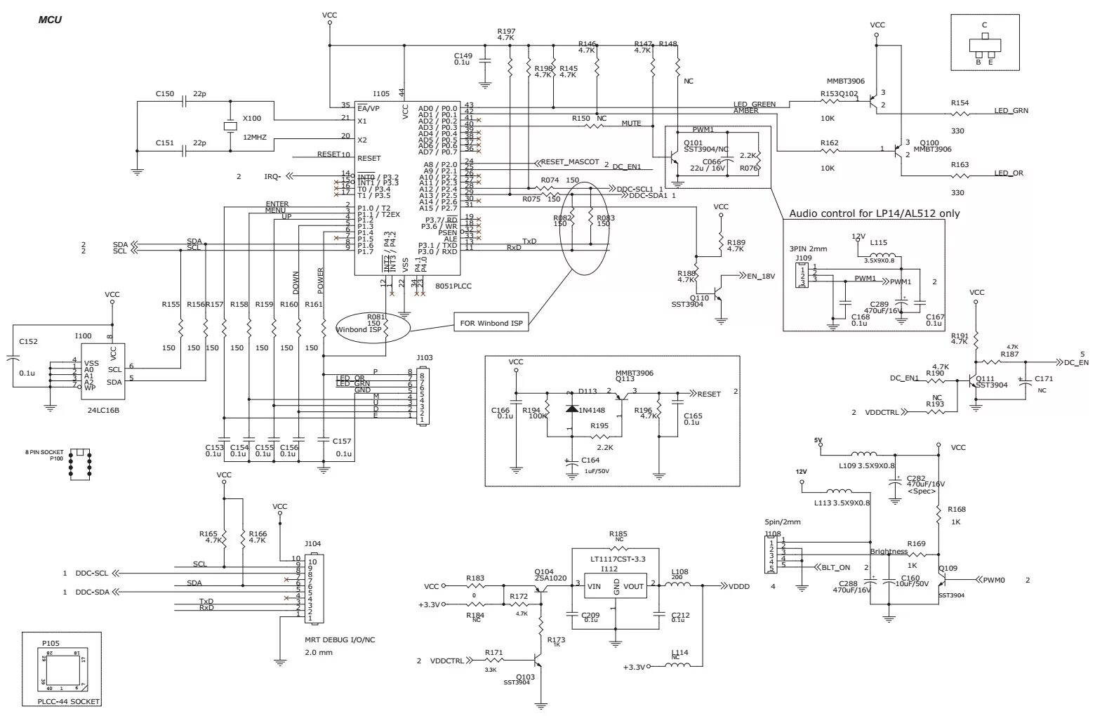
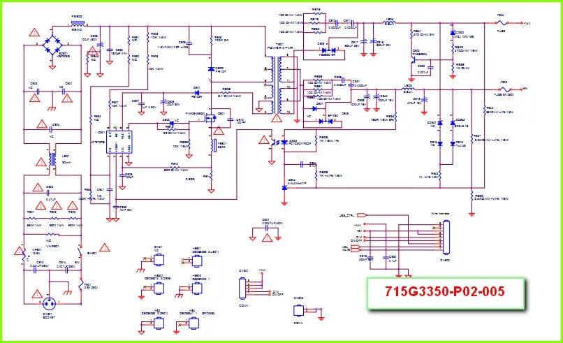
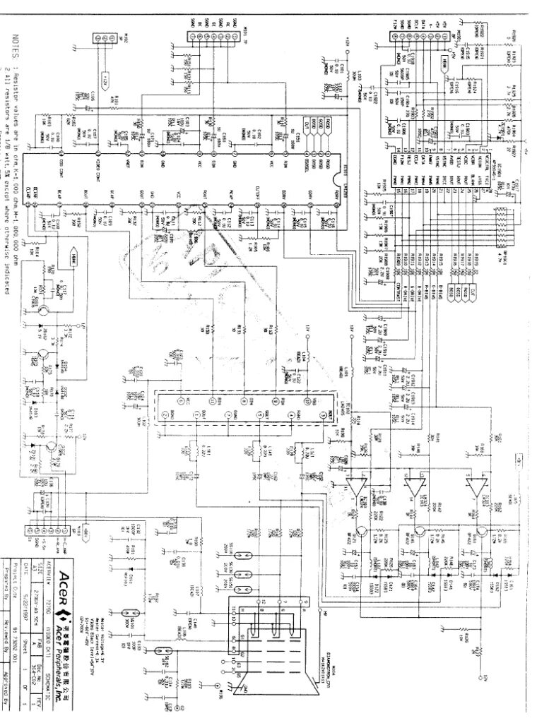
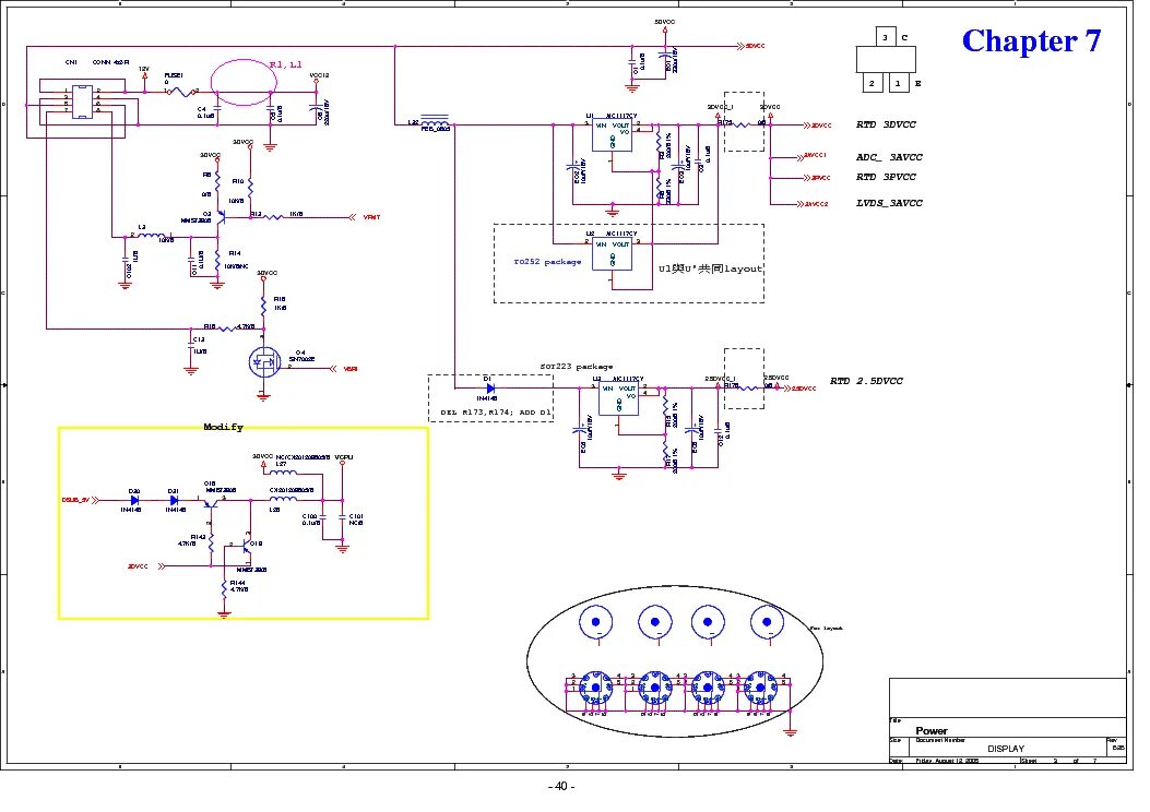
Монитор acer схема