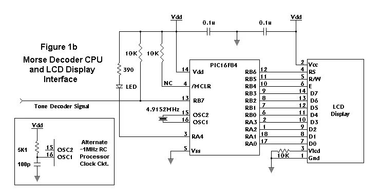
Morse code decoder