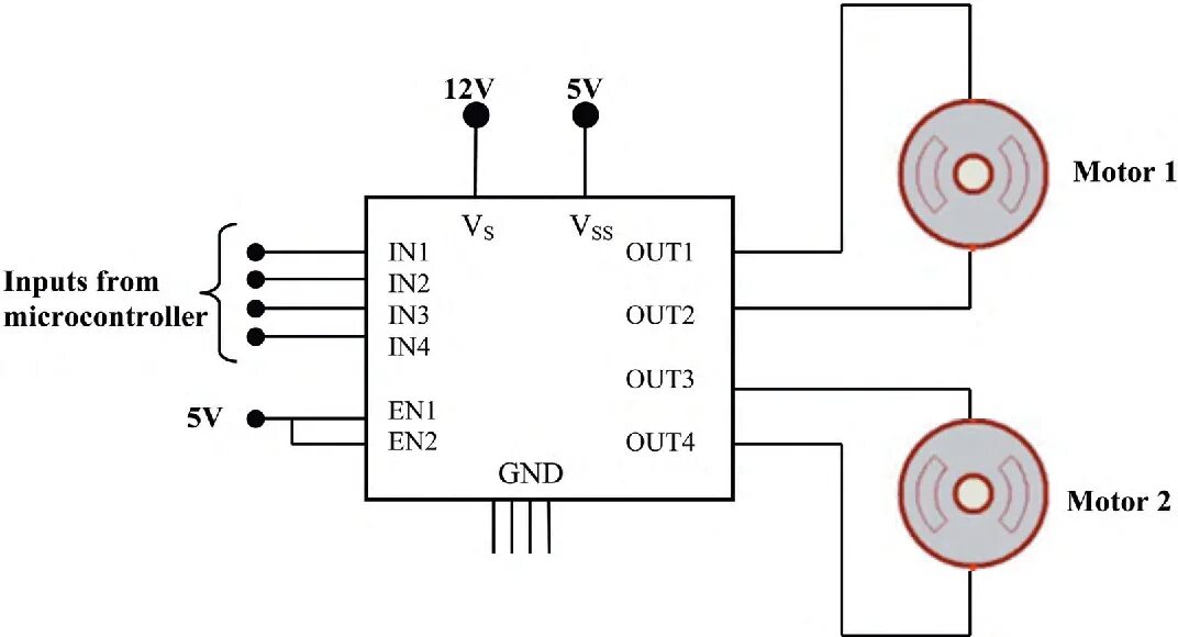
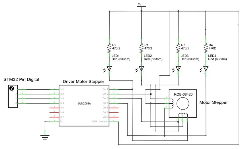
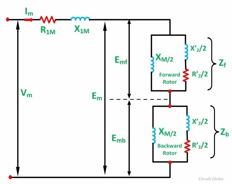
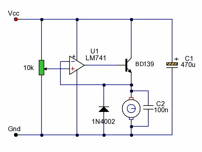
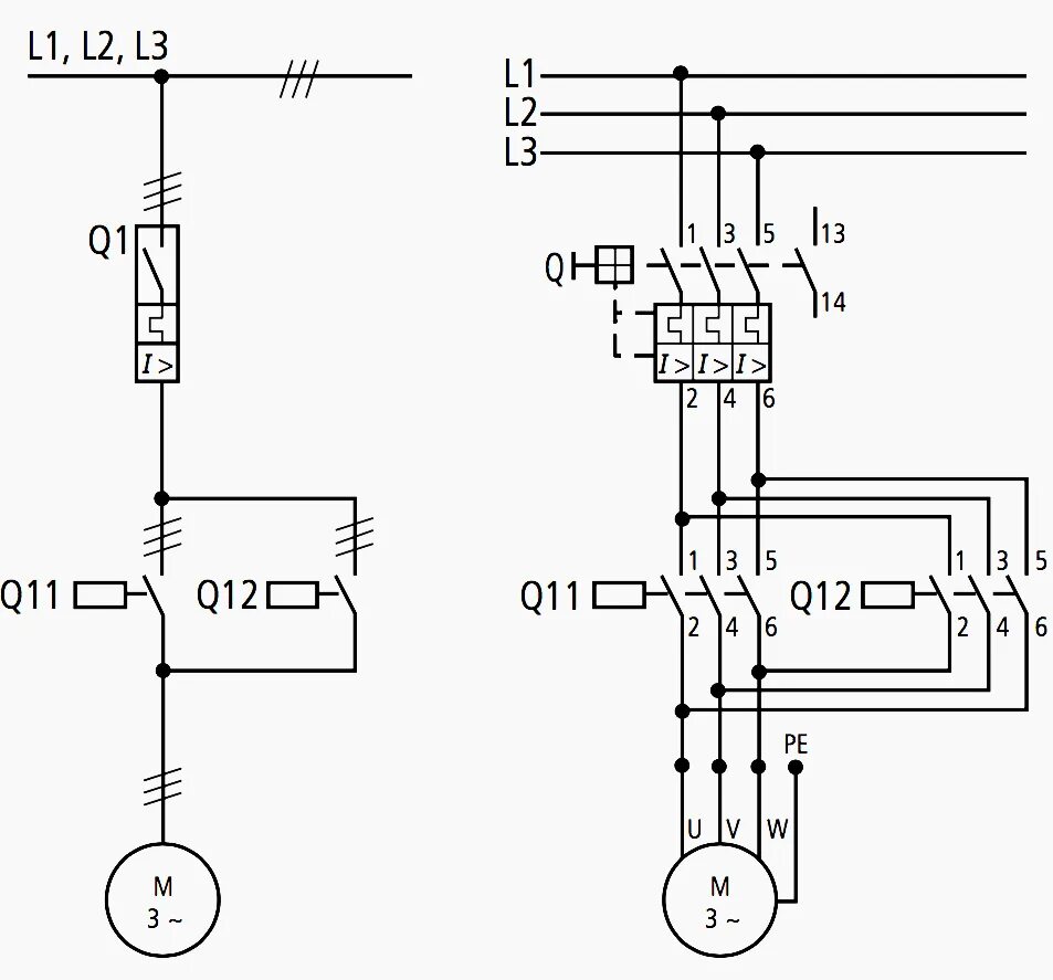
Motor circuit