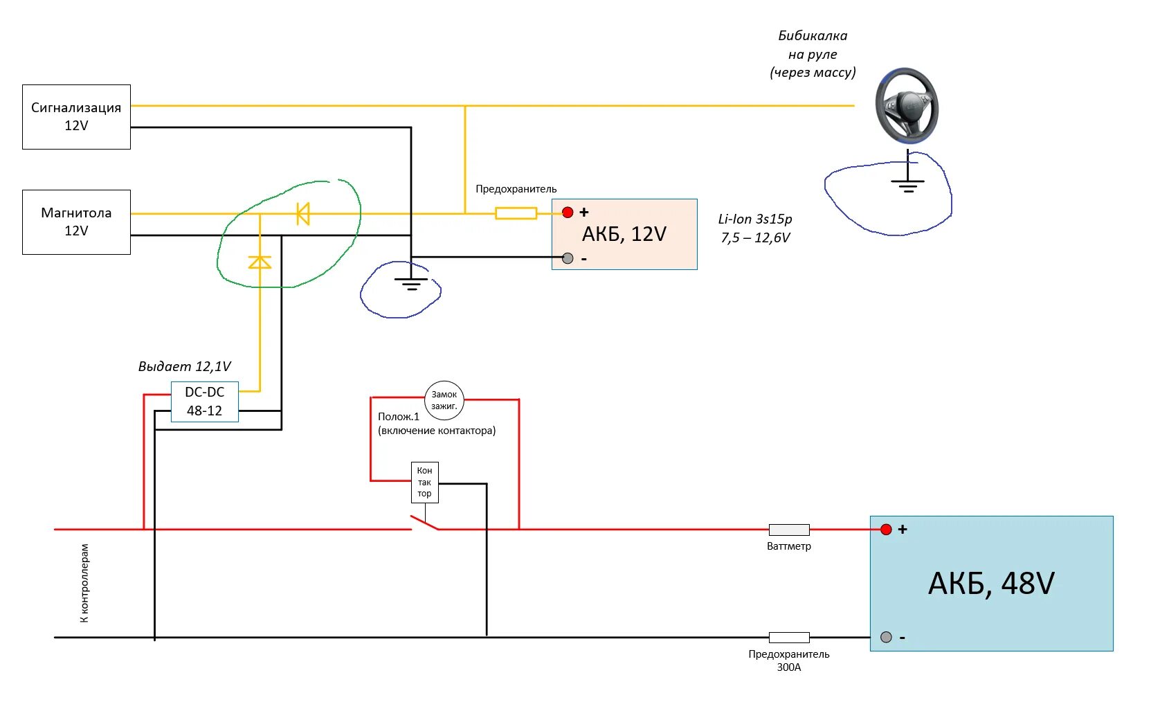
Можно ли подключить 12 вольтовый