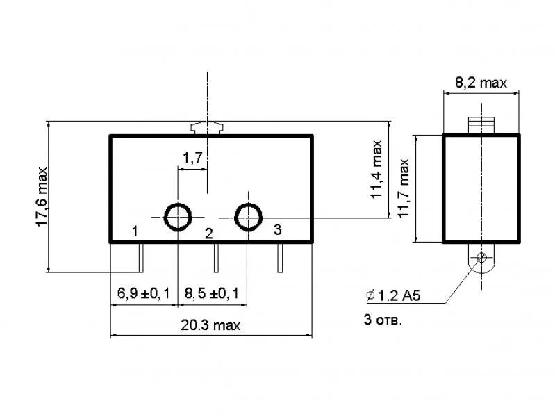
Мп 1.1