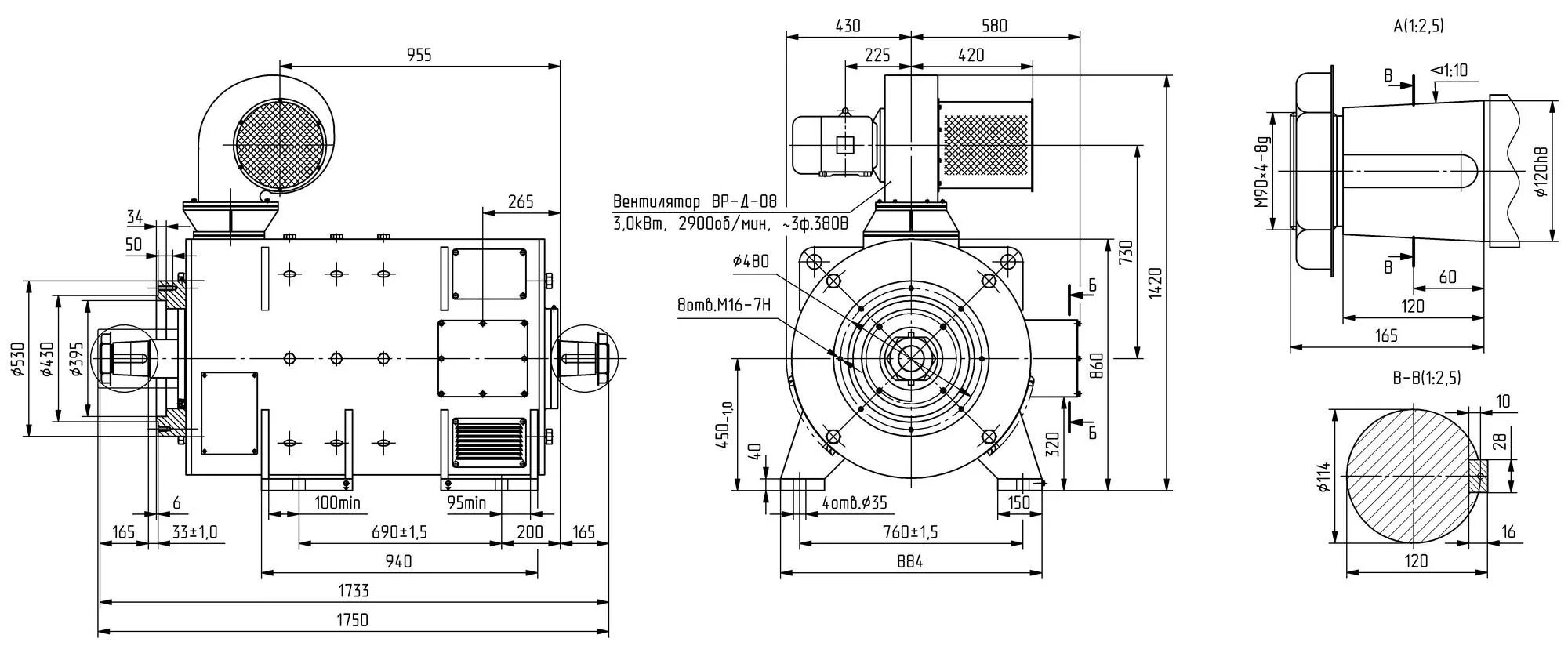
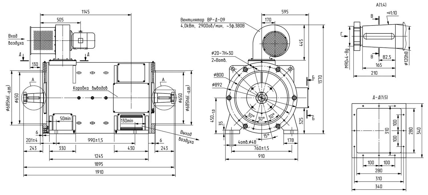
Мпэ 1 орг