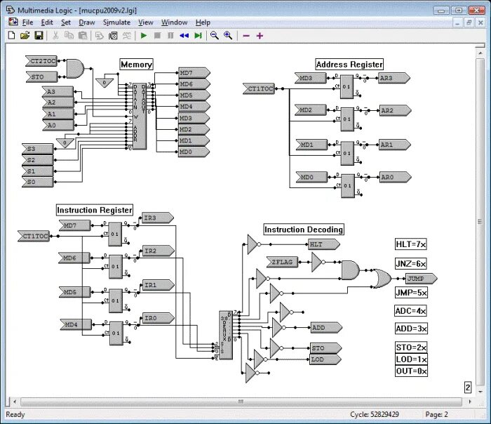
Multimedia logic