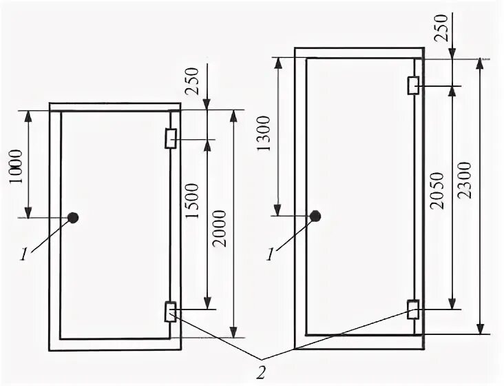
На каком расстоянии от дверных