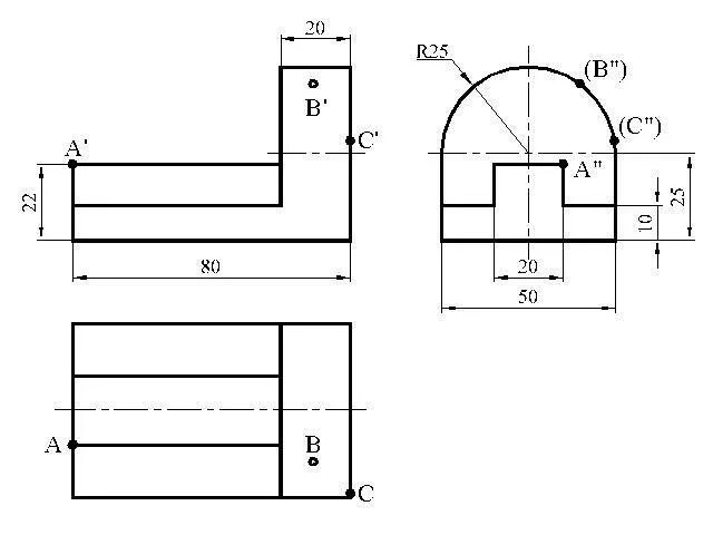
На рисунке 51 дано наглядное изображение