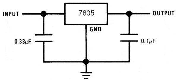
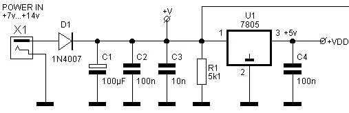
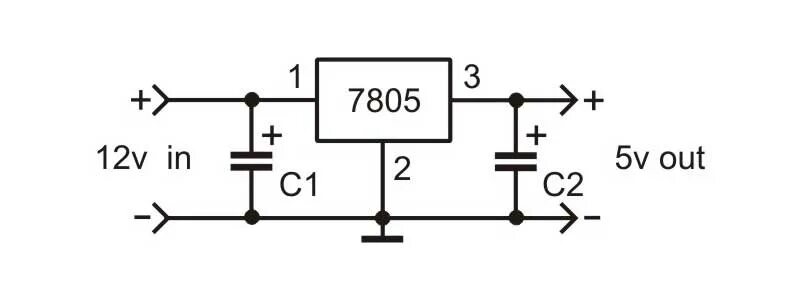
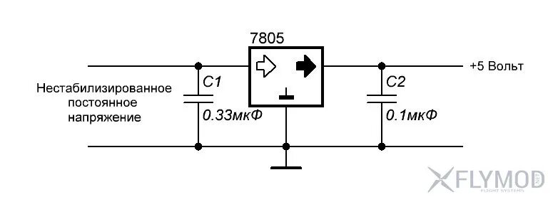
Напряжение 5 вольт