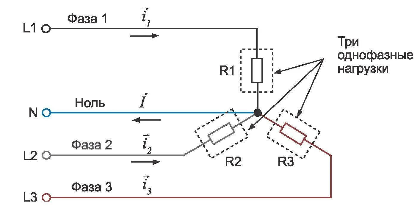
Напряжение на нулевом проводе