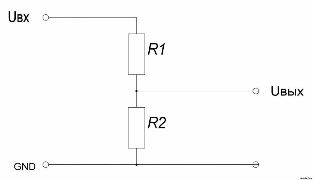
Напряжение на выходе резистора