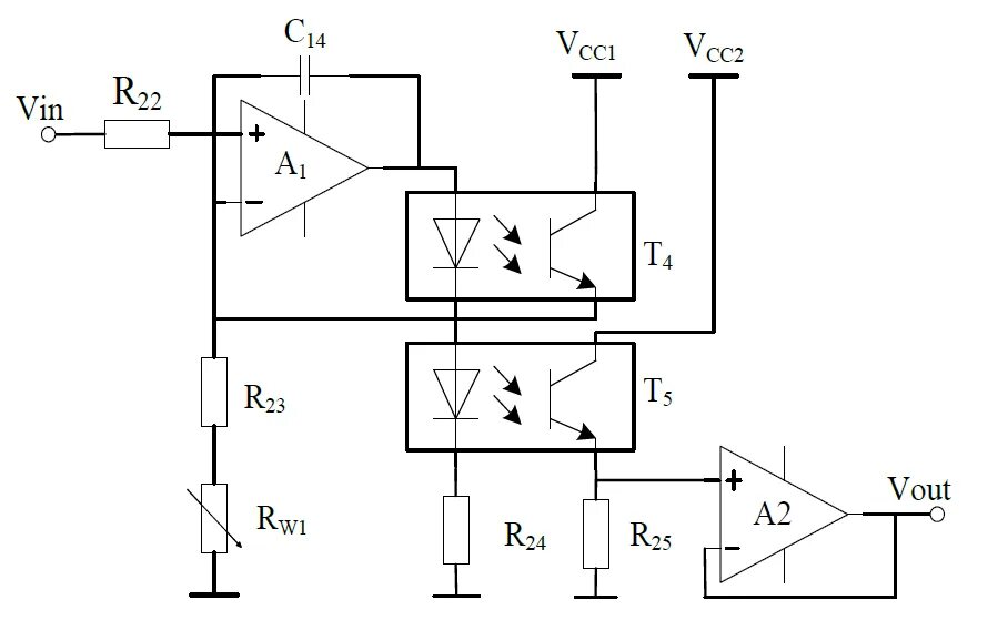
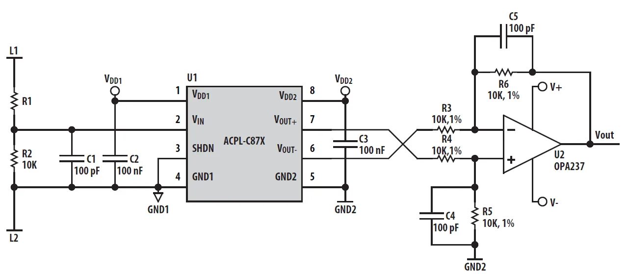
Напряжение развязки