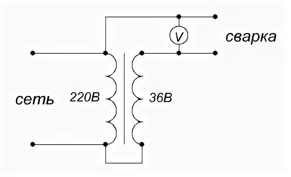
Напряжение в сети 180