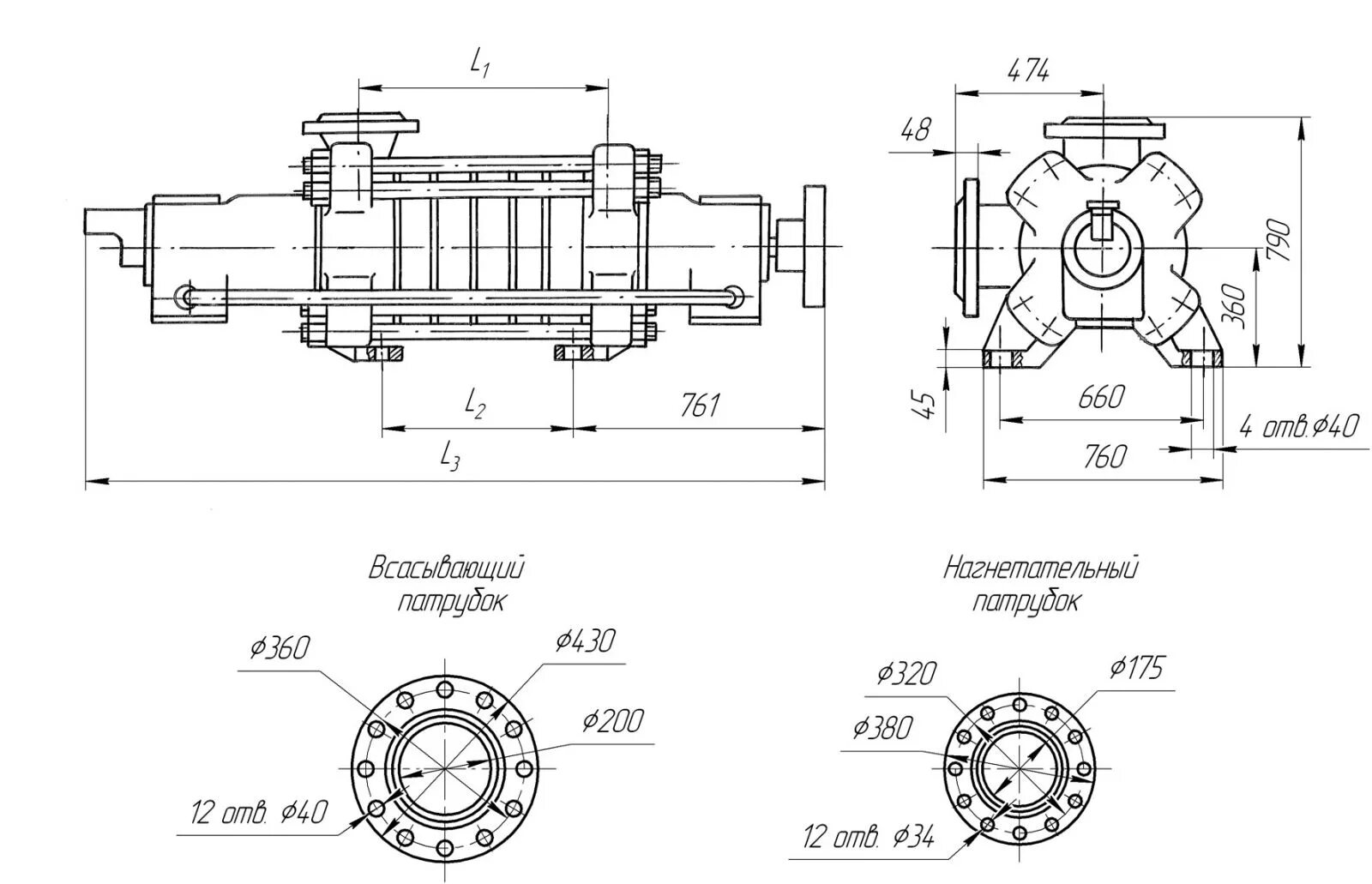
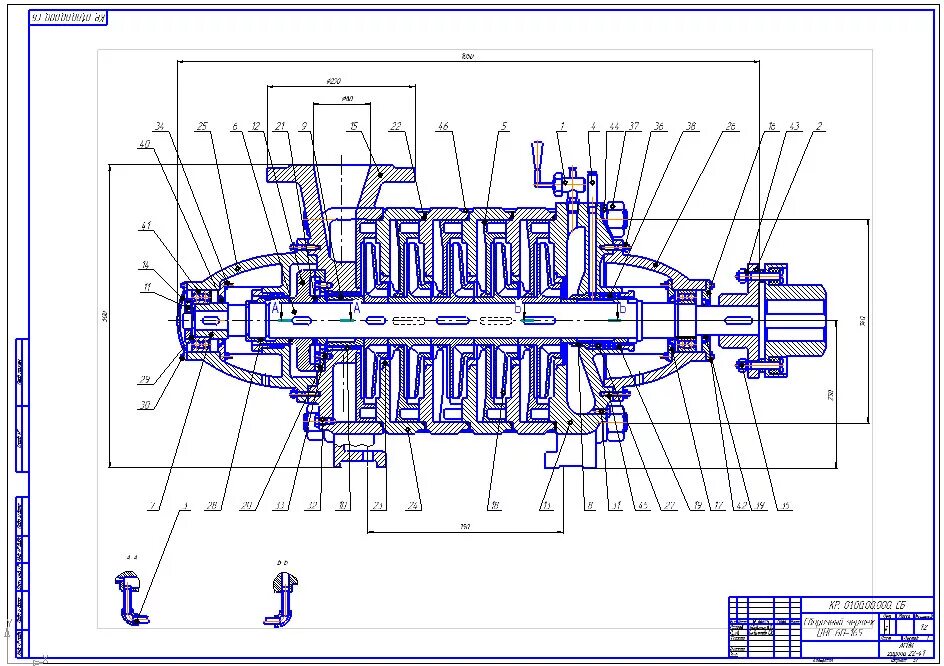
Назначение цнс