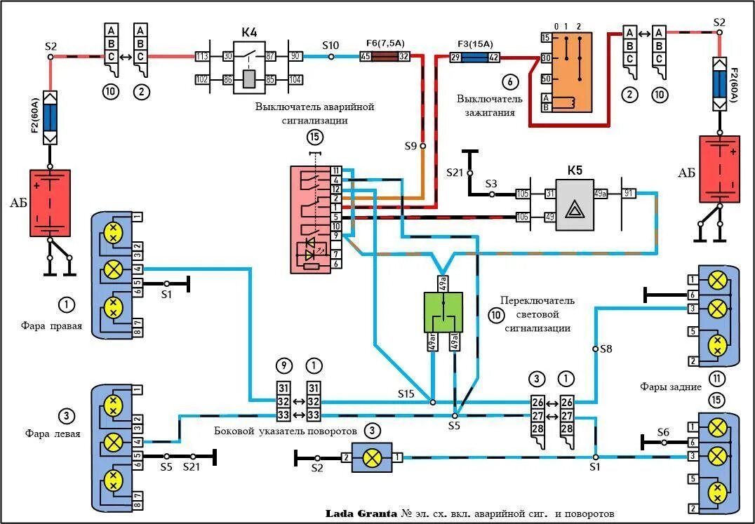
Не работает левый поворот