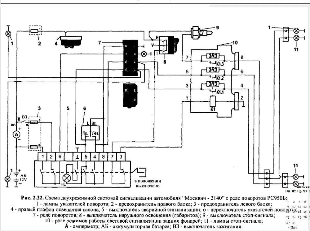
Не работает рс