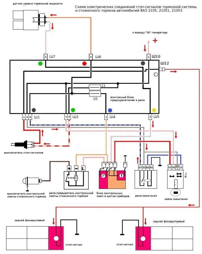
Не включается стоп сигнал