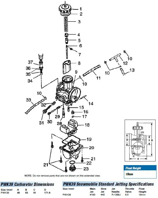
Nibbi инструкция