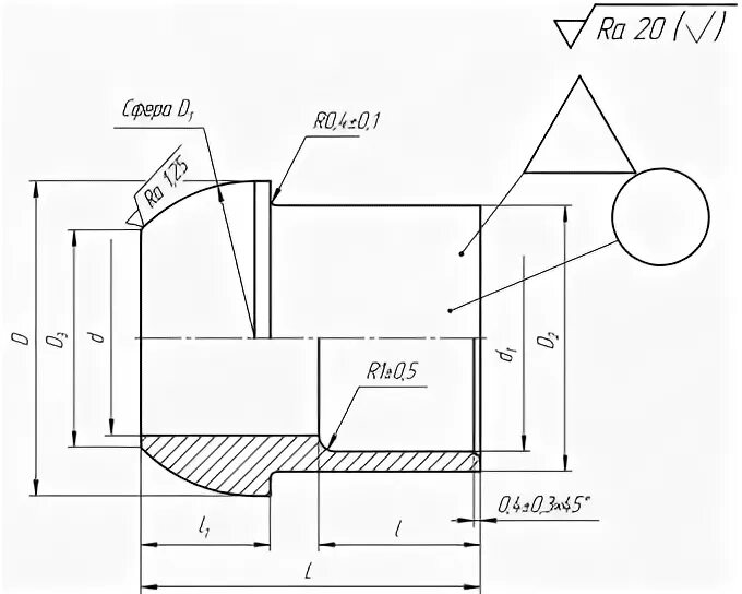
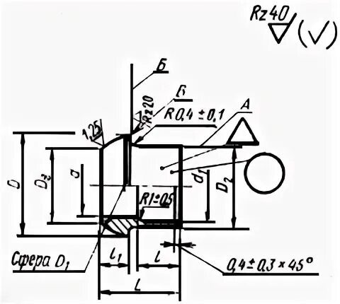
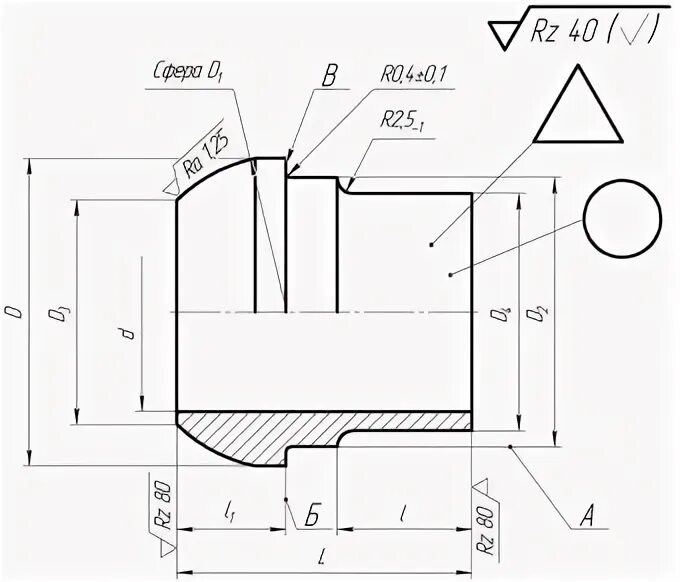
Ниппель 70