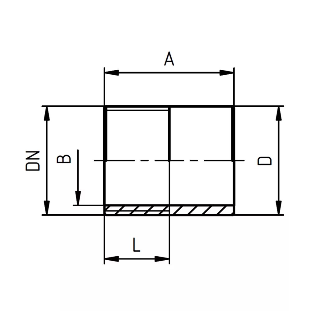
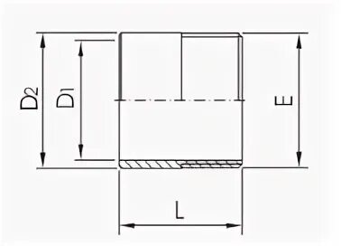
Ниппель приварной 2