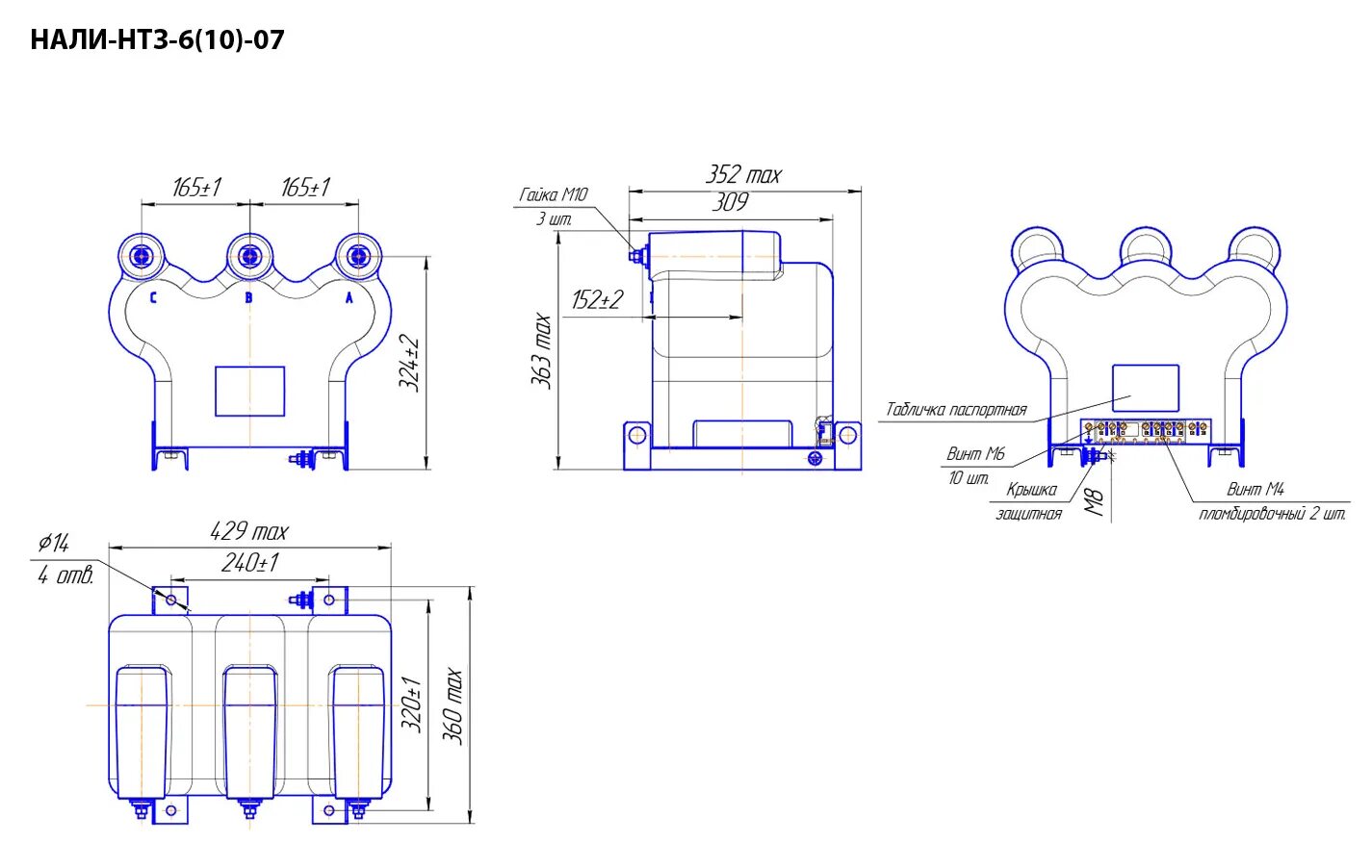
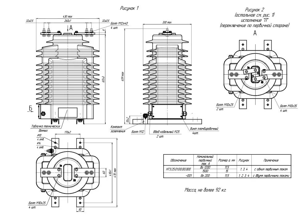
Нтз трансформаторы