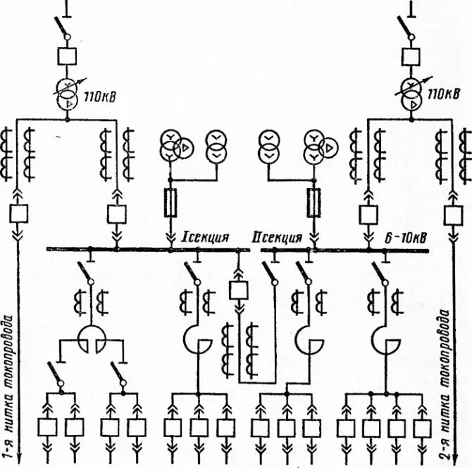
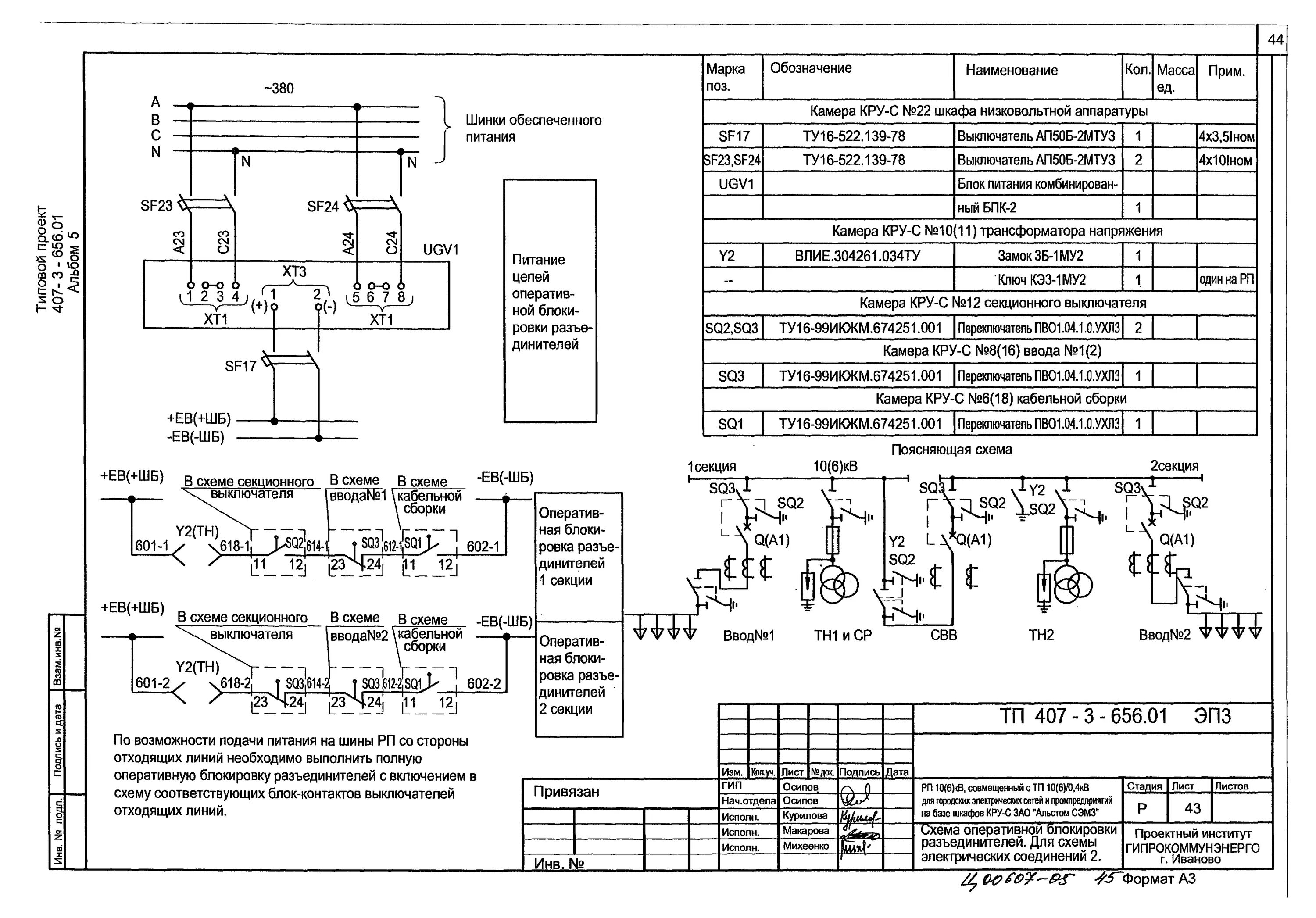
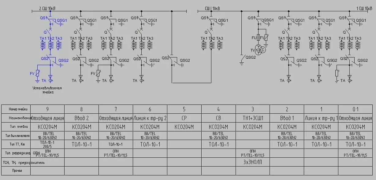
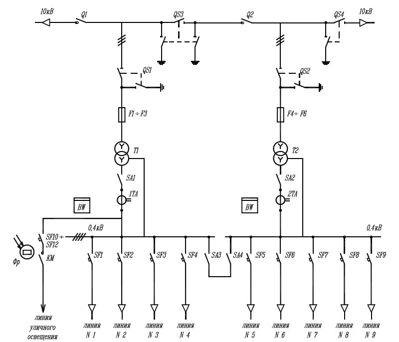
Обозначение тп