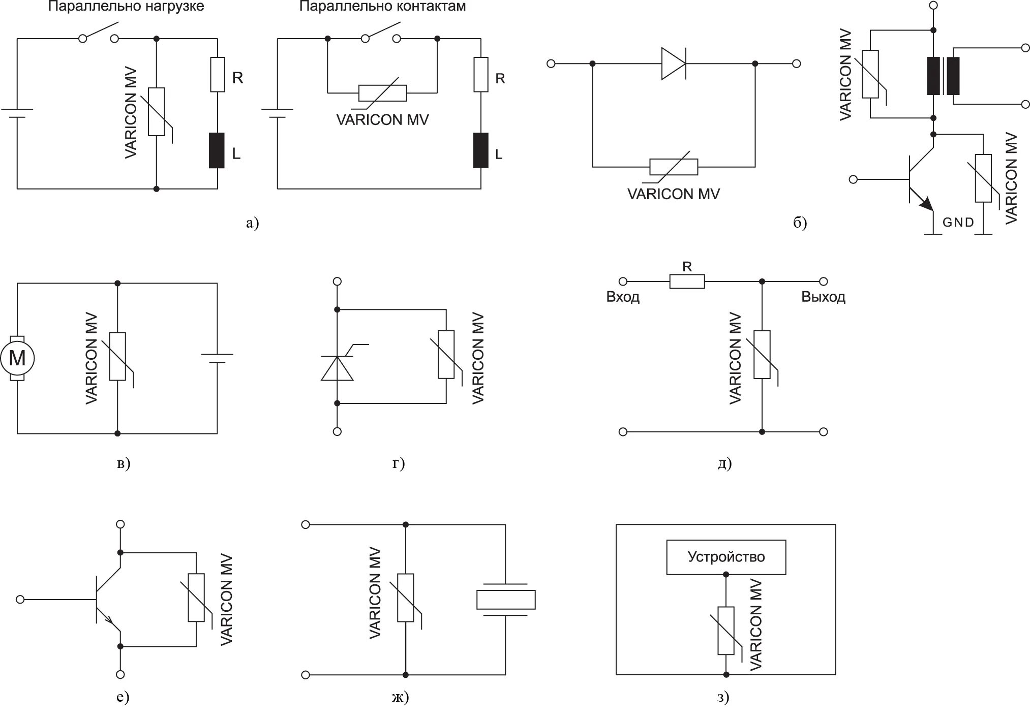
Обозначение варистора на схеме