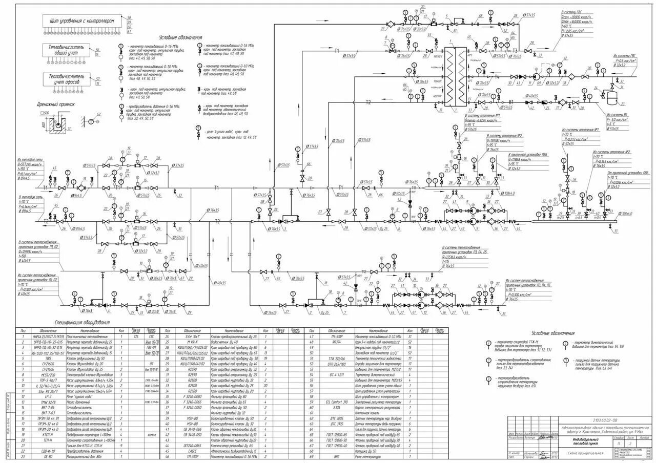
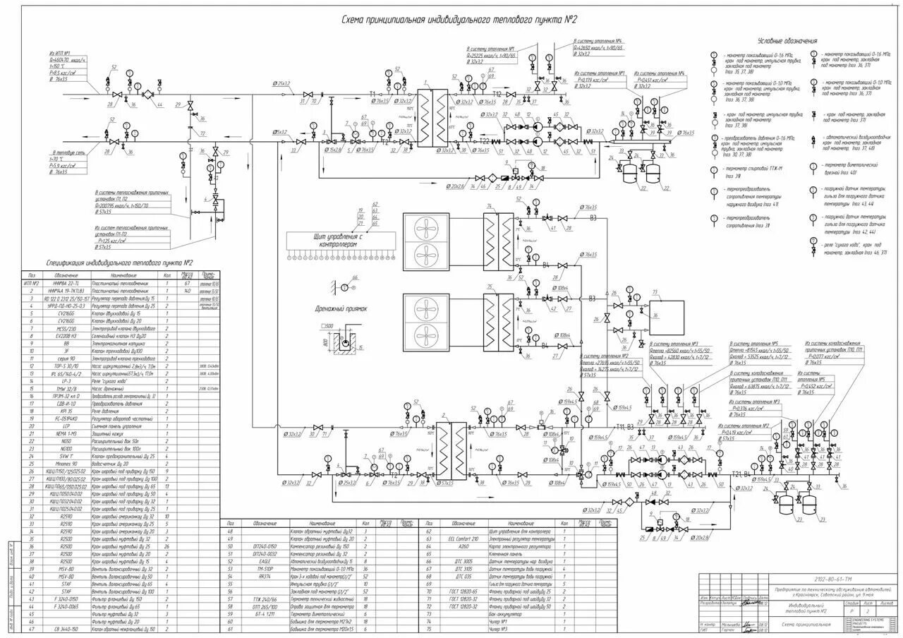
Обозначения итп