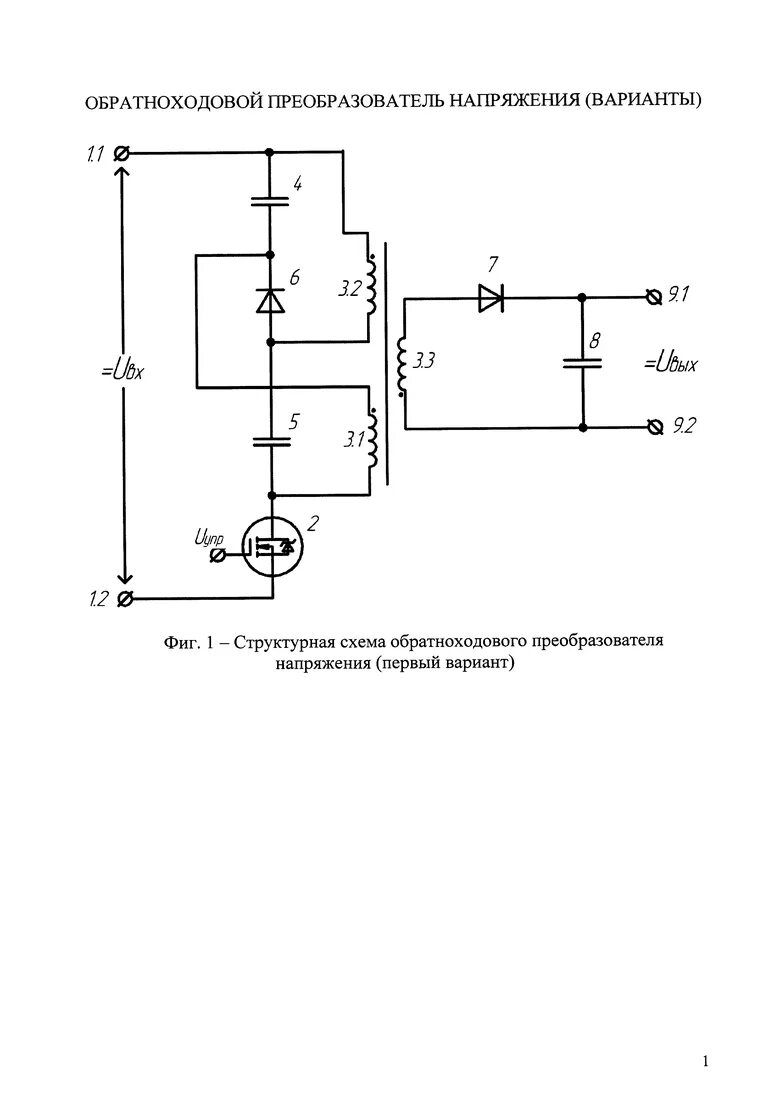
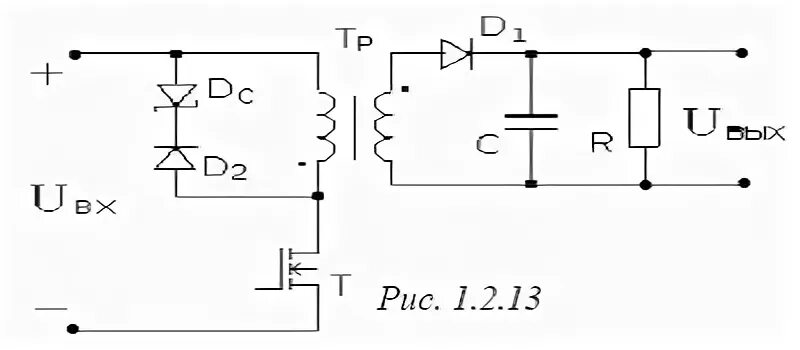
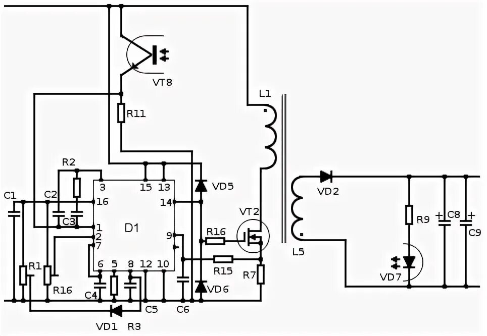
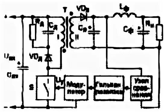
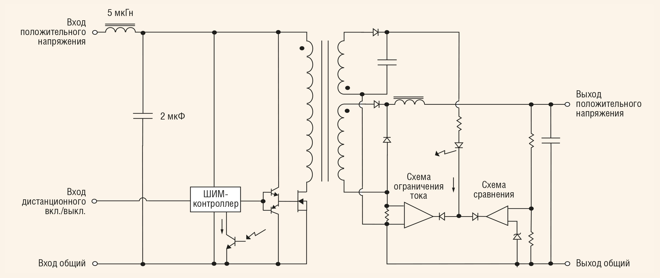
Обратноходовой преобразователь трансформатор