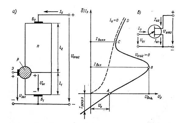
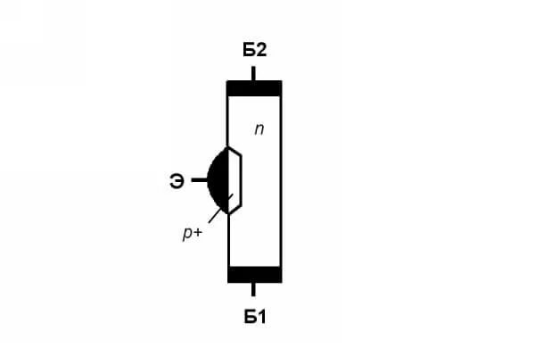
Однопереходный транзистор