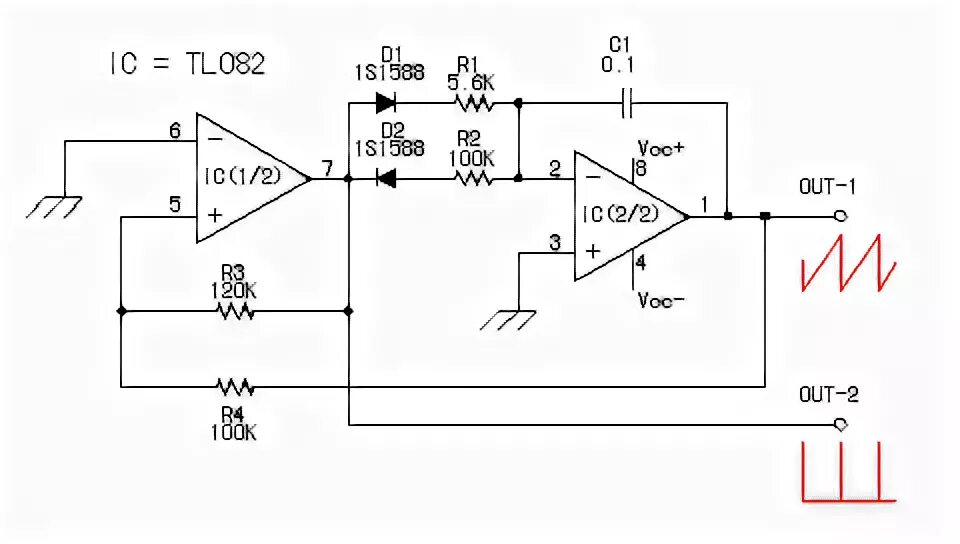
Оп генератор