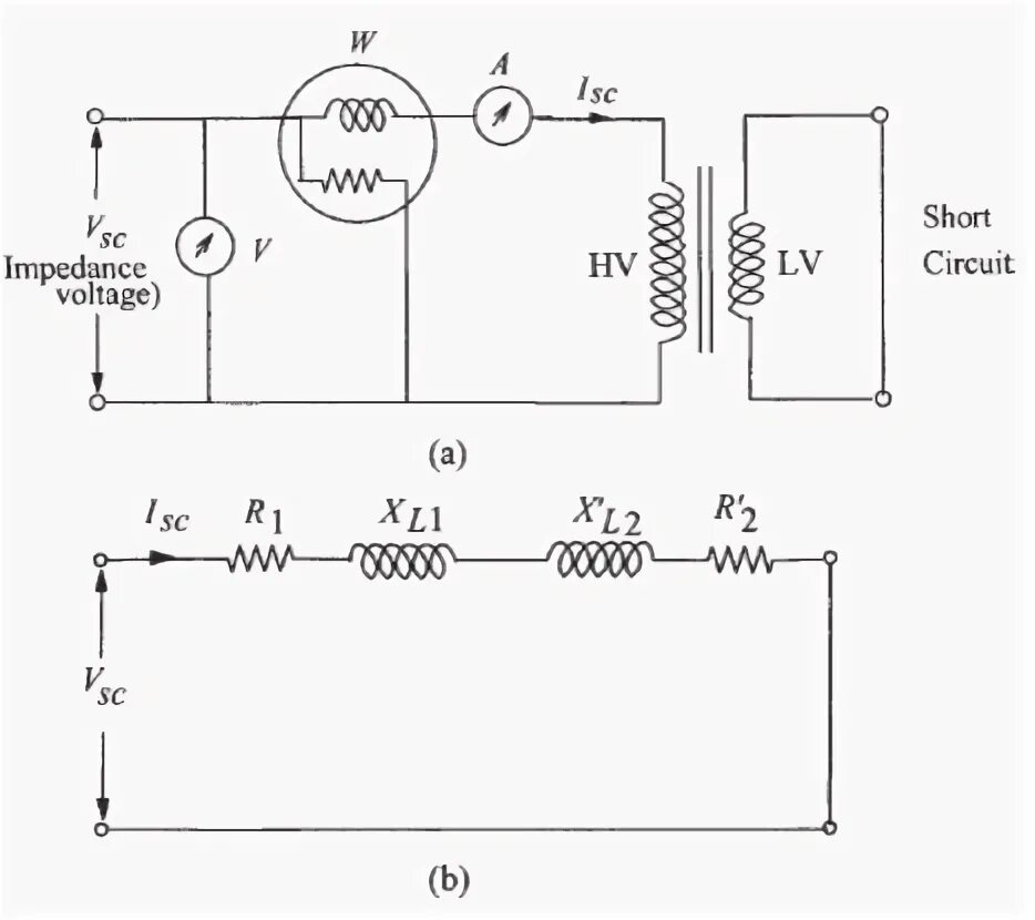
Open circuit voltage