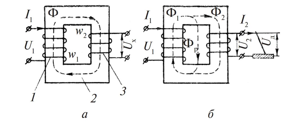
Описать работу трансформатора