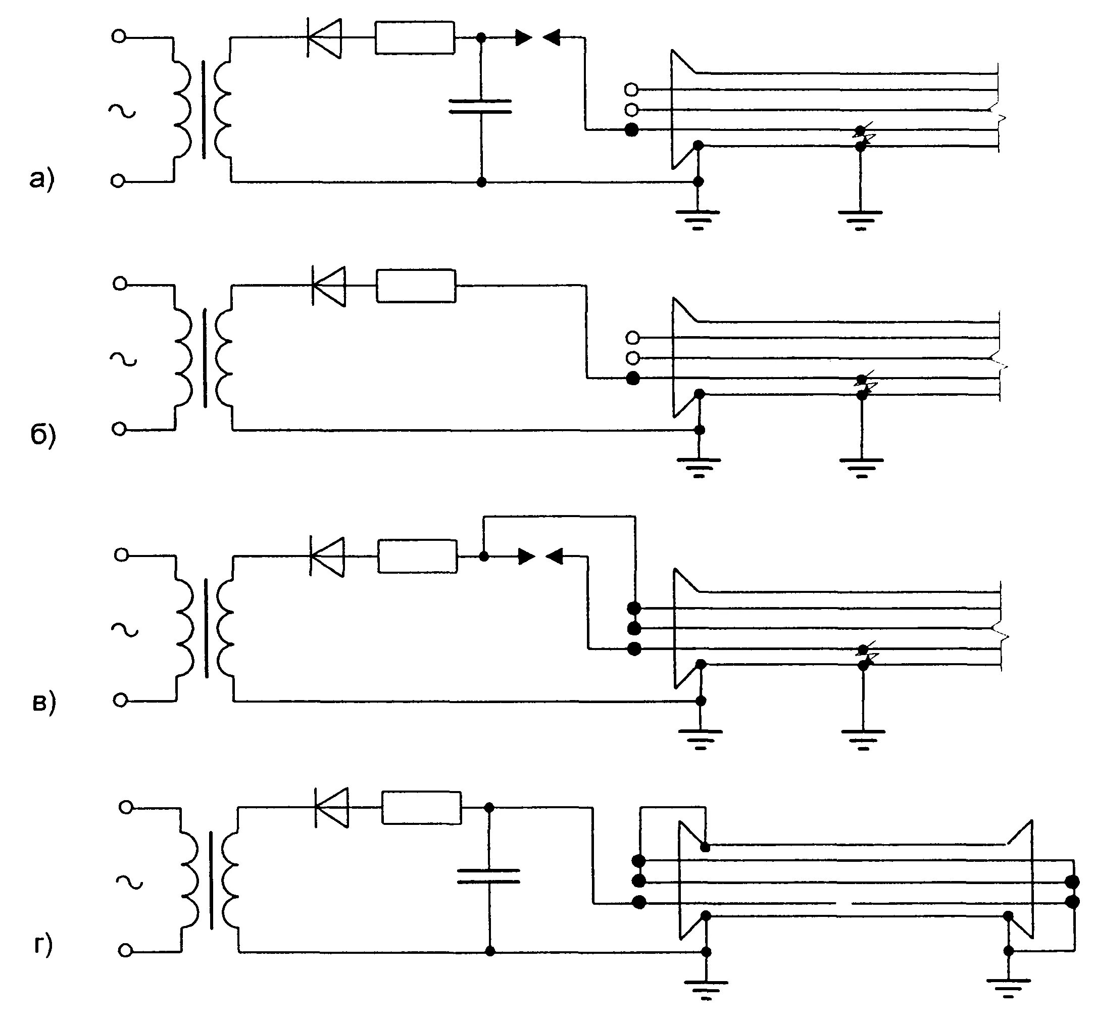
Определение обрыва кабеля