Главная
»
Ошибка компиляции для платы esp8266
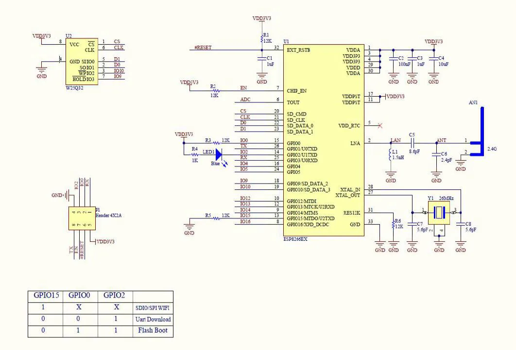
Ошибка компиляции для платы esp8266. Esp8266 esp-01. wi-fi модуль esp8266. esp-01 схема. wi-fi модуль esp-01.
« Предыдущее
35 / 78
Следующее »