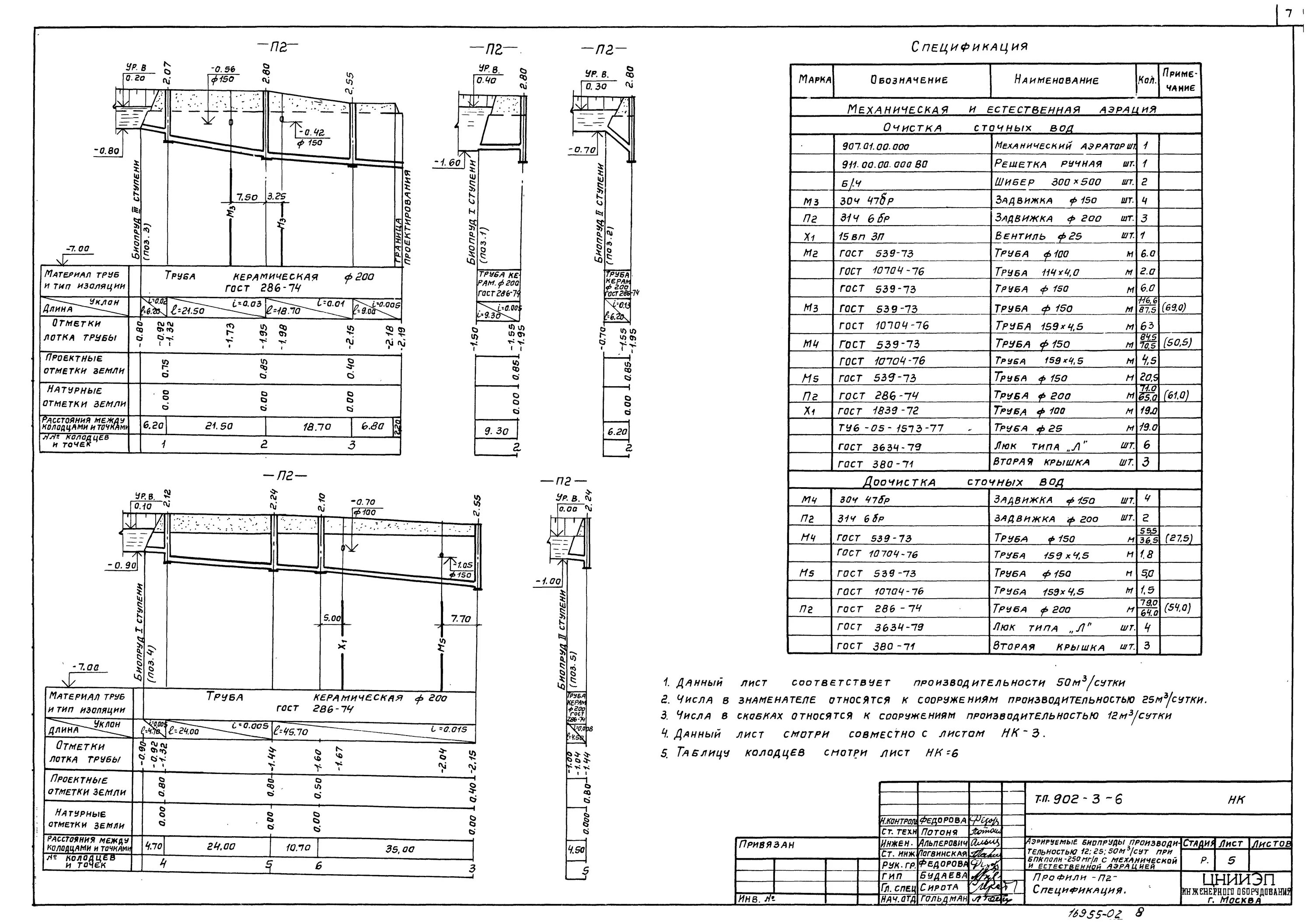
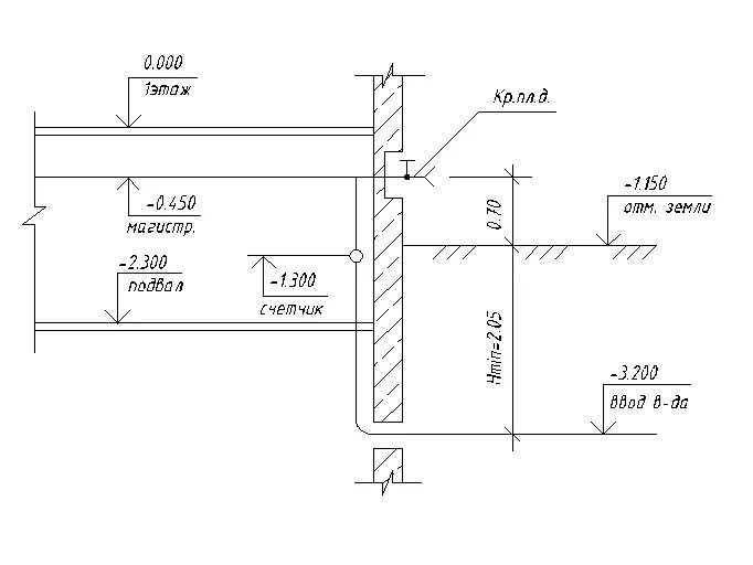
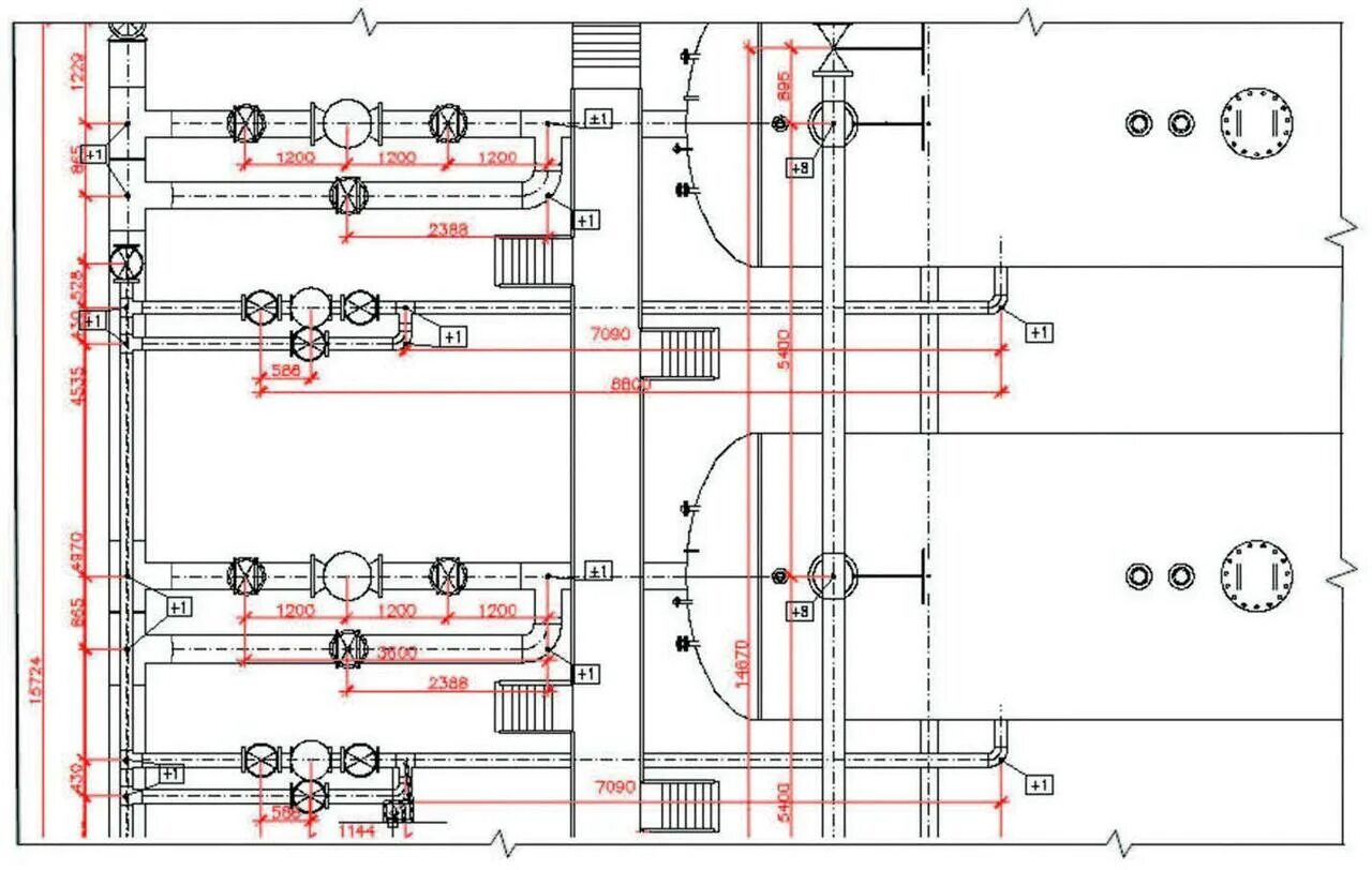
Отметка трубы