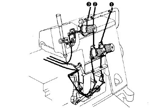
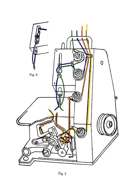
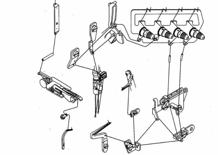
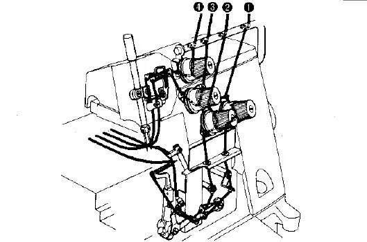
Оверлок как правильно заправить нитки