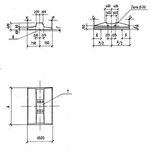
П 1 5