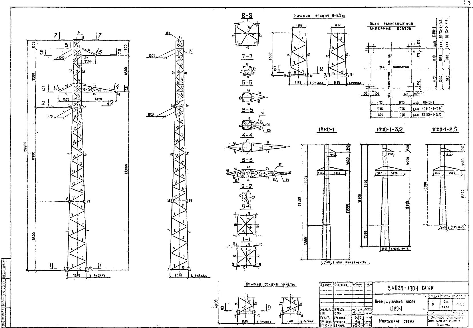
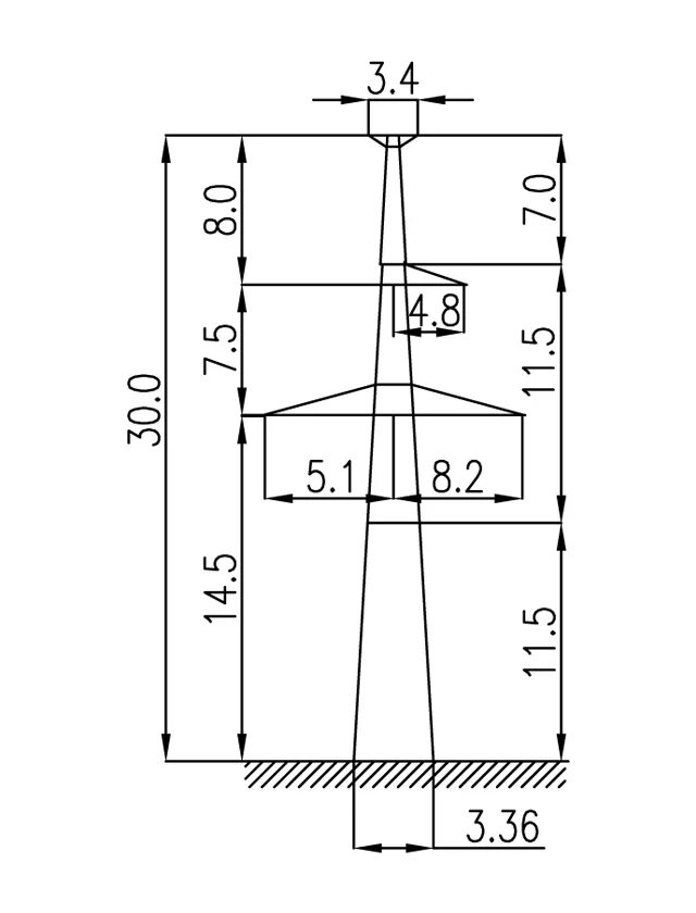
П 110 2