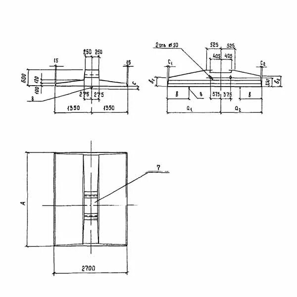
П 4.2 7