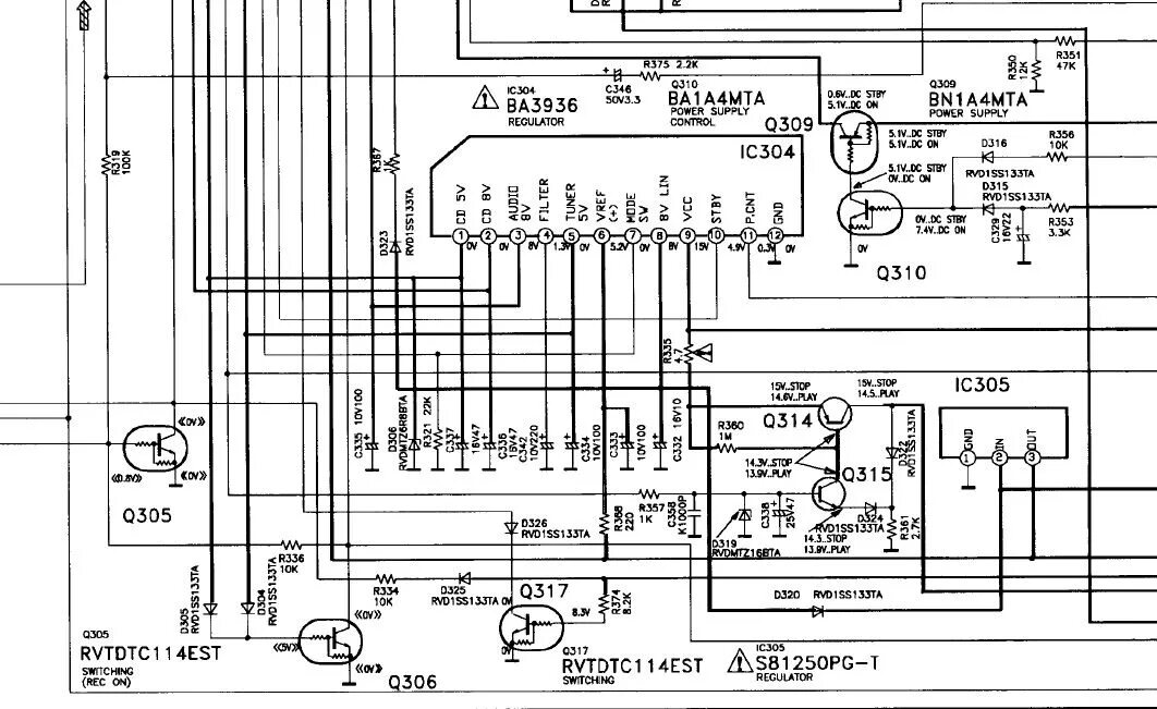
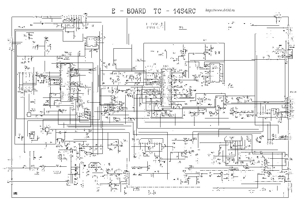
Панасоник нет изображения