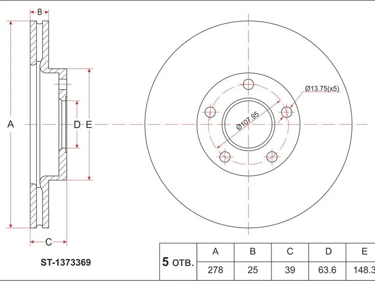
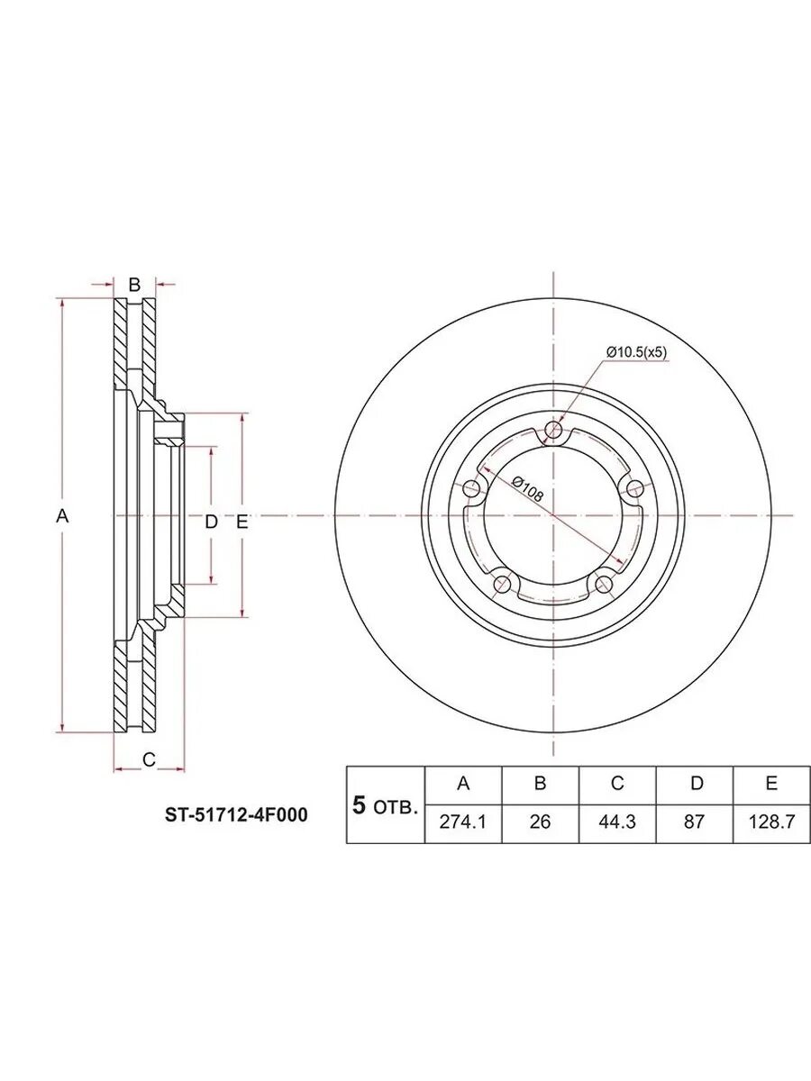
Параметры тормозных