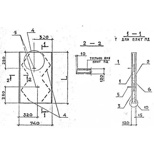
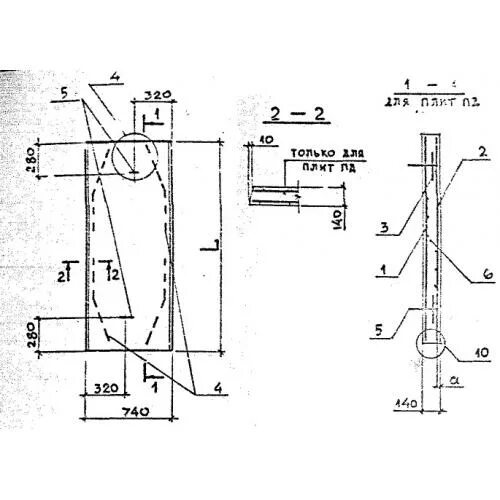
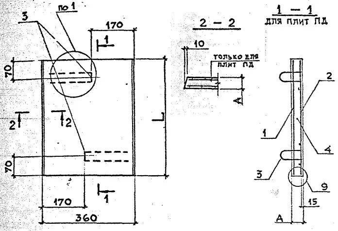
Пд элементы