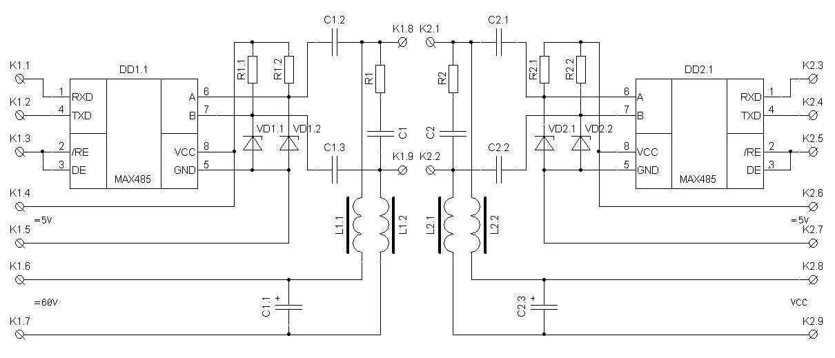
Передача данных и питания