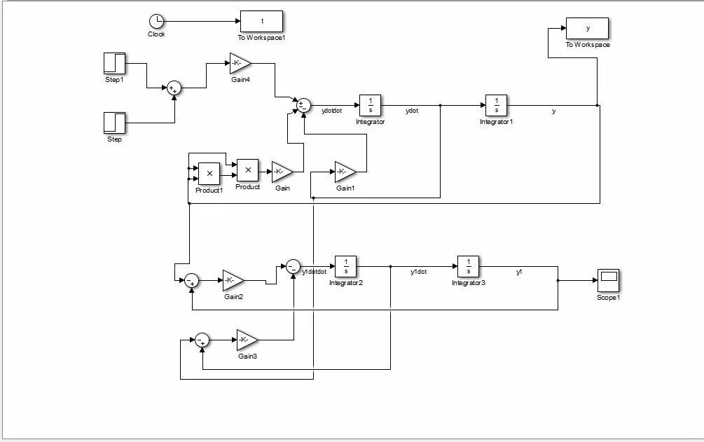
Передаточная функция в матлабе