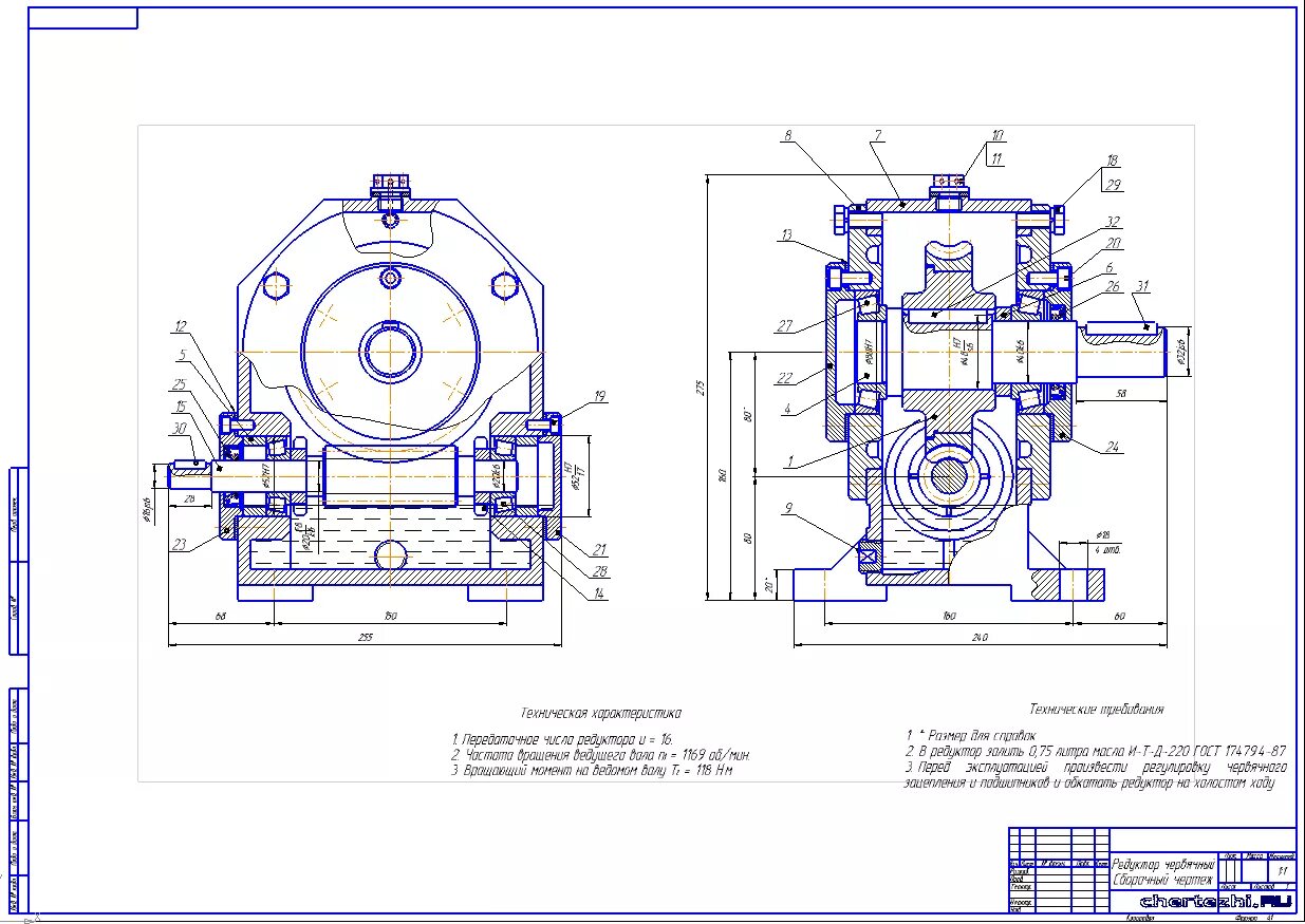
Передаточное число червячного редуктора