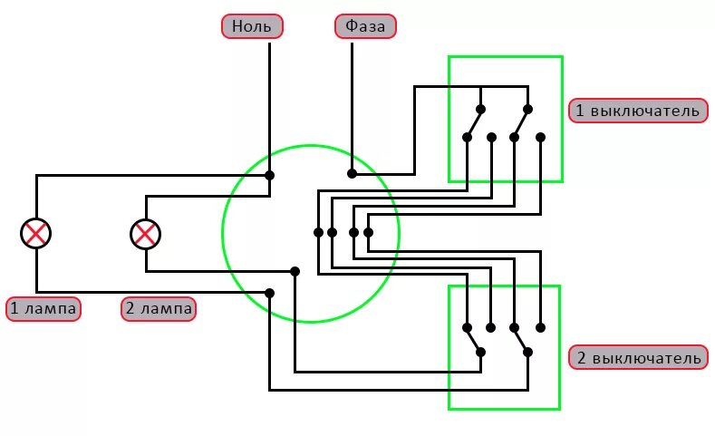
Переключателя на 2 лампы