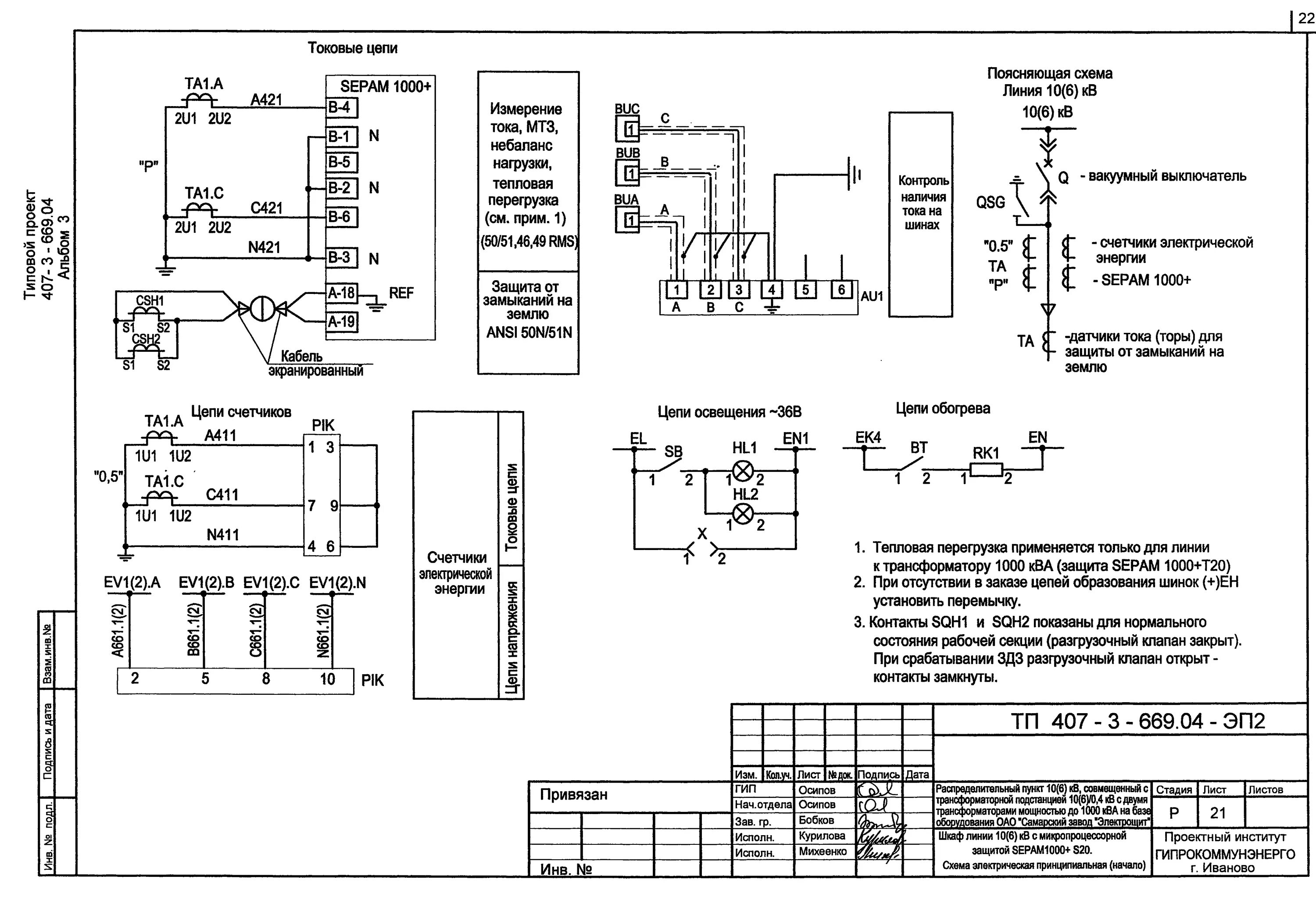
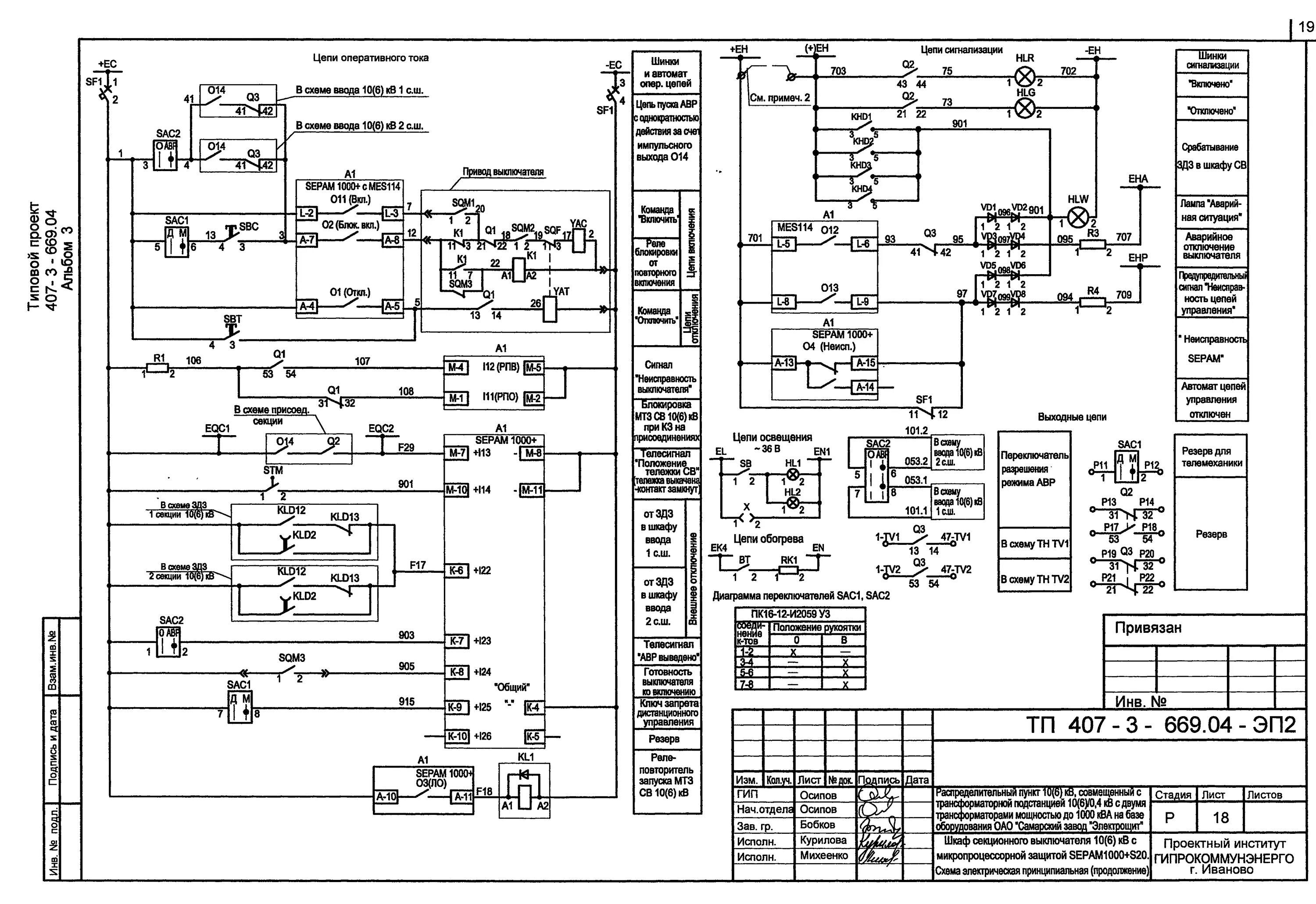
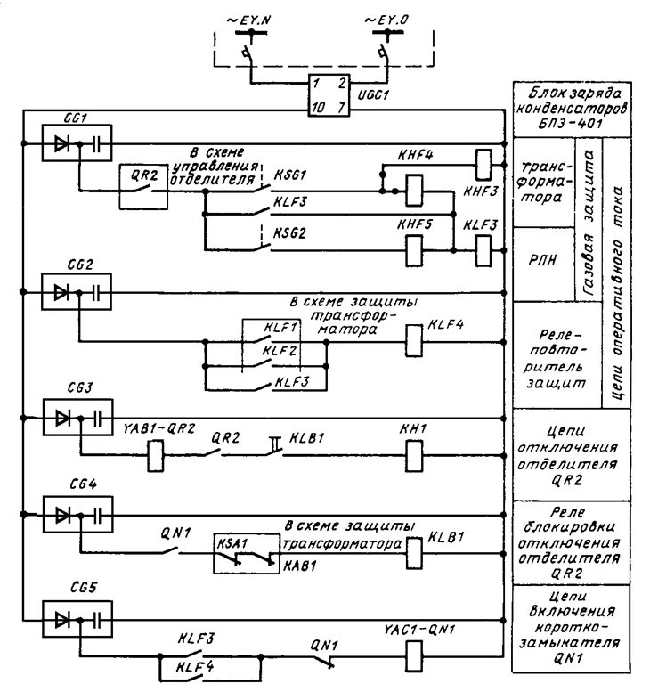
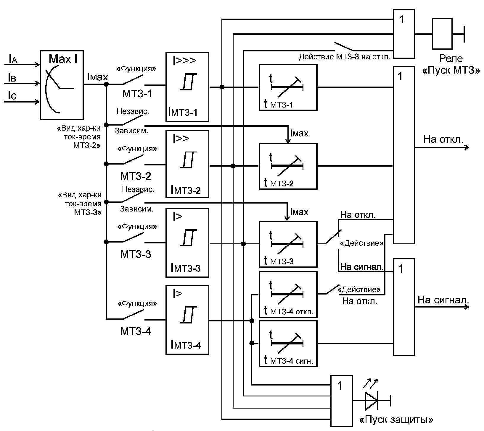
Переключающие устройства рза