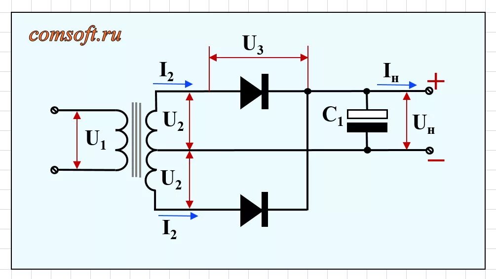
Переменное напряжение 24 вольта