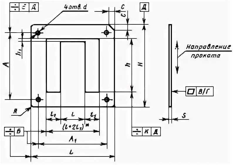
Пластины трансформатора