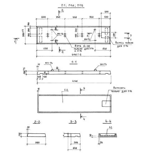
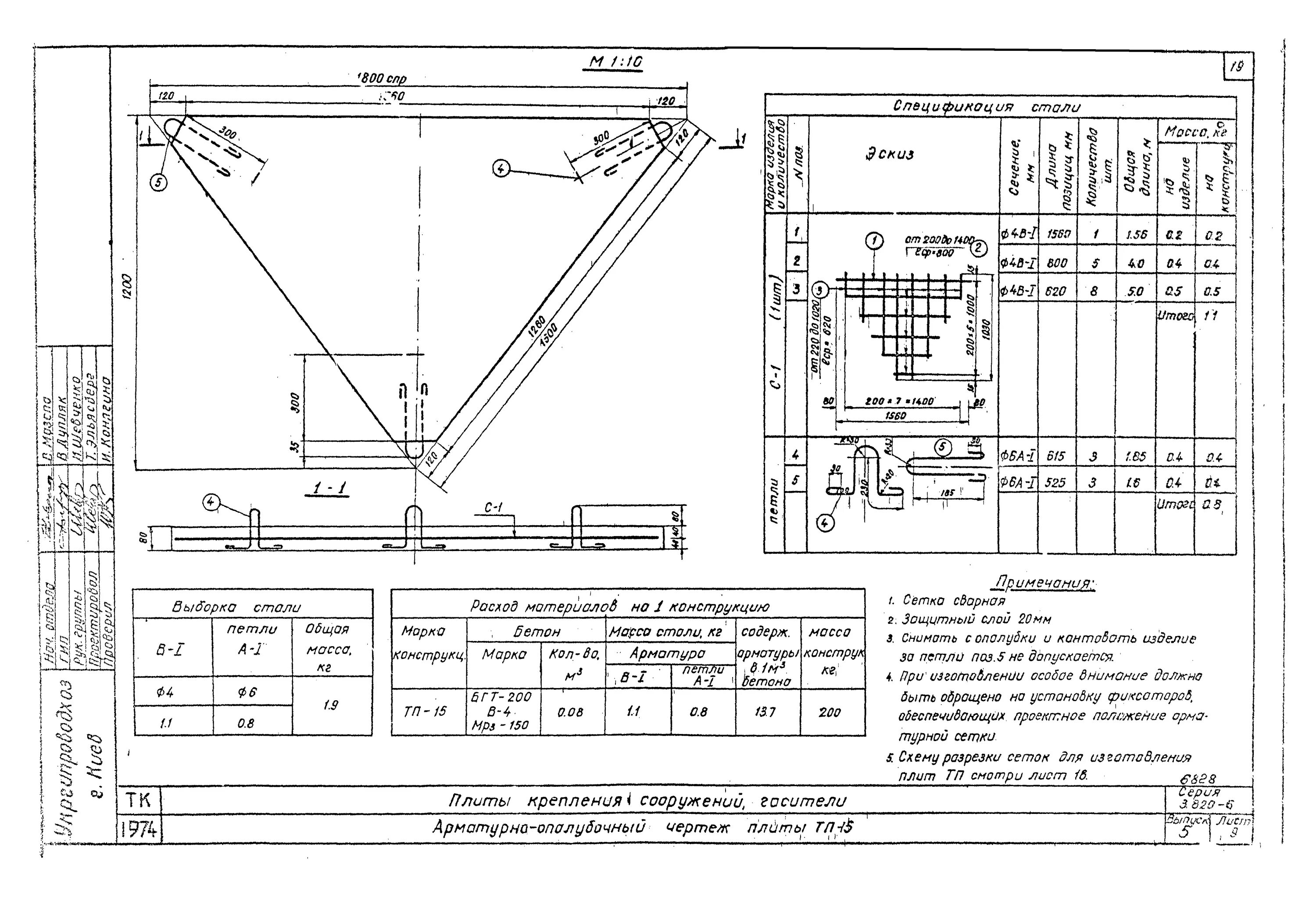
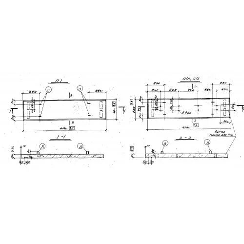
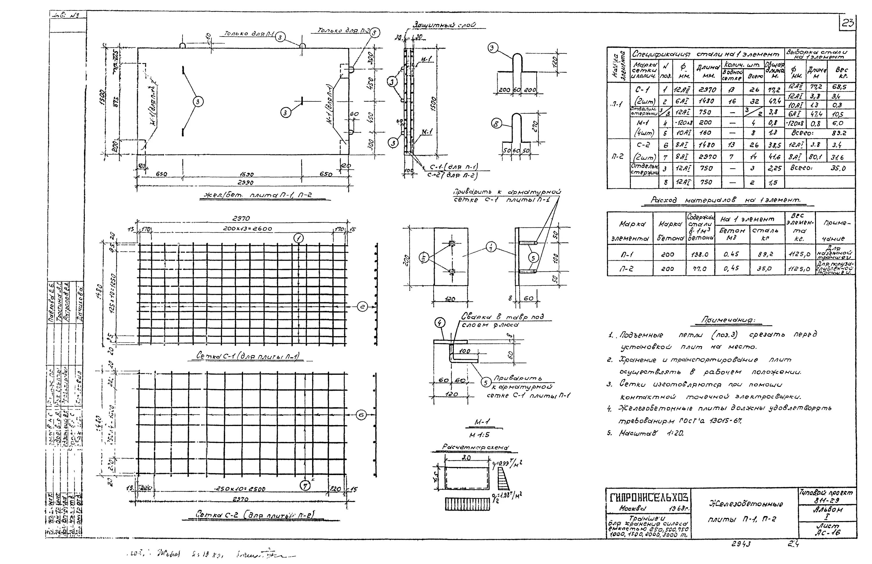
Плита тп